ΠΠ°ΠΊ ΡΠ΄Π΅Π»Π°ΡΡ Π³ΡΠΎΡ ΠΎΡ ΡΠ²ΠΎΠΈΠΌΠΈ ΡΡΠΊΠ°ΠΌΠΈ
ΠΠΈΠ±ΡΠΎΡΠΈΡΠΎ (Π²ΠΈΠ±ΡΠΎΠ³ΡΠΎΡ ΠΎΡ) ΡΠ²ΠΎΠΈΠΌΠΈ ΡΡΠΊΠ°ΠΌΠΈ
ΠΡΠ»ΠΈ Ρ ΠΊΡΠΎ Π²Π΅Π΄Π΅Ρ ΡΠ²ΠΎΠ΅ ΡΡΡΠΎΠΈΡΠ΅Π»ΡΡΡΠ²ΠΎ ΠΈΠ»ΠΈ Π΄Π΅Π»Π°Π΅Ρ Π΄ΠΎΠΌΠ° ΡΠ΅ΠΌΠΎΠ½Ρ, Π²Π΅ΡΠ½ΡΠΌ ΠΏΠΎΠΌΠΎΡΠ½ΠΈΠΊΠΎΠΌ Π΄Π»Ρ Π²Π°Ρ ΠΌΠΎΠΆΠ΅Ρ ΡΡΠ°ΡΡ Π²ΠΈΠ±ΡΠΎΡΠΈΡΠΎ. ΠΠ»Π°Π³ΠΎΠ΄Π°ΡΡ ΠΊΠΎΡΠΎΡΠΎΠΌΡ, Π²Ρ Π±Π΅Π· ΠΏΡΠΎΠ±Π»Π΅ΠΌ ΠΈ Π»ΠΈΡΠ½ΠΈΡ ΡΡΠΈΠ»ΠΈΠΉ, Π½Π΅ ΡΠ΅ΡΡΡ Π΄ΡΠ°Π³ΠΎΡΠ΅Π½Π½ΠΎΠ³ΠΎ Π²ΡΠ΅ΠΌΠ΅Π½ΠΈ, ΡΠΌΠΎΠΆΠ΅ΡΠ΅ ΠΏΡΠΎΡΠ΅ΠΈΠ²Π°ΡΡ ΡΠ°Π·Π½ΡΠ΅ ΡΡΡΠΎΠΈΡΠ΅Π»ΡΠ½ΡΠ΅ ΠΌΠ°ΡΠ΅ΡΠΈΠ°Π»Ρ: ΡΠ΅ΠΌΠ΅Π½Ρ, Π³ΡΠ°Π²ΠΈΠΉ, ΠΏΠ΅ΡΠΎΠΊ, ΡΡΡΠΎΠΈΡΠ΅Π»ΡΠ½ΡΠΉ ΠΊΠ»Π΅ΠΉ ΠΈ Π΄ΡΡΠ³ΠΎΠ΅. ΠΠ΄Π½ΠΎ Π΄Π΅Π»ΠΎ, ΠΊΠΎΠ³Π΄Π° Π²Ρ ΡΠ΅ΠΌΠ΅Π½ΡΠΈΡΡΠ΅ΡΠ΅ Π΄Π²ΠΎΡ Π² Π΄Π΅ΡΠ΅Π²Π½Π΅ Π½Π° Π΄Π°ΡΠ΅ ΠΈ ΡΠΎΠ²ΡΠ΅ΠΌ Π΄ΡΡΠ³ΠΎΠ΅, ΠΊΠΎΠ³Π΄Π° Π΄Π΅Π»Π°Π΅ΡΠ΅ ΡΡΠΎΠ»Π΅ΡΠ½ΠΈΡΡ, ΠΏΠΎΠ΄ΠΎΠΊΠΎΠ½Π½ΠΈΠΊ Π² Π΄ΠΎΠΌ ΠΈΠ»ΠΈ ΠΊΠ»Π°Π΄Π΅ΡΠ΅ ΠΏΠ»ΠΈΡΠΊΡ. ΠΠ΄Π΅ΡΡ Π½ΡΠΆΠ΅Π½ Ρ ΠΎΡΠΎΡΠΎ ΠΏΡΠΎΡΠ΅ΡΠ½Π½ΡΠΉ ΠΊΠ°ΡΠ΅ΡΡΠ²Π΅Π½Π½ΡΠΉ ΡΠ΅ΠΌΠ΅Π½Ρ Ρ Π»ΡΡΡΠΈΠΌΠΈ ΠΏΠΎΠΊΠ°Π·Π°ΡΠ΅Π»ΡΠΌ Π°Π΄Π³Π΅Π·ΠΈΠΈ. ΠΠ΅Π΄Ρ ΠΎΡ ΠΊΠ°ΡΠ΅ΡΡΠ²Π° ΠΌΠ°ΡΠ΅ΡΠΈΠ°Π»Π° Π·Π°Π²ΠΈΡΠΈΡ ΠΊΠΎΠ½Π΅ΡΠ½ΡΠΉ ΡΠ΅Π·ΡΠ»ΡΡΠ°Ρ. ΠΡΠ»ΠΈ Π²Ρ Π½Π΅ Π·Π°Π½ΠΈΠΌΠ°Π΅ΡΠ΅ΡΡ ΡΡΡΠΎΠΈΡΠ΅Π»ΡΡΡΠ²ΠΎΠΌ Π² ΠΏΡΠΎΠΌΡΡΠ»Π΅Π½Π½ΠΎΠΌ ΠΌΠ°ΡΡΡΠ°Π±Π΅ ΠΈ Π΄ΠΎΡΠΎΠ³ΠΎΠ΅ Π²ΠΈΠ±ΡΠΎΡΠΈΡΠΎ Π²Π°ΠΌ Π½Π΅ ΠΏΠΎ Π·ΡΠ±Π°ΠΌ, ΠΏΡΠ΅Π΄Π»Π°Π³Π°Ρ ΡΠ΄Π΅Π»Π°ΡΡ Π²ΠΈΠ±ΡΠΎΡΠΈΡΠΎ ΡΠ²ΠΎΠΈΠΌΠΈ ΡΡΠΊΠ°ΠΌΠΈ Π² Π΄ΠΎΠΌΠ°ΡΠ½ΠΈΡ ΡΡΠ»ΠΎΠ²ΠΈΡΡ .
ΠΠΈΠ±ΡΠΎΡΠΈΡΠΎ ΡΠ°ΠΊ ΠΆΠ΅ Π΅ΡΠ΅ Π½Π°Π·ΡΠ²Π°ΡΡ Π²ΠΈΠ±ΡΠΎΠ³ΡΠΎΡ ΠΎΡ. ΠΠ»Ρ ΡΠ΅Ρ , ΠΊΠΎΠΌΡ Π½Π΅ΠΎΠ±Ρ ΠΎΠ΄ΠΈΠΌΠΎ ΠΈΡΠΏΠΎΠ»ΡΠ·ΠΎΠ²Π°ΡΡ ΡΠ°ΠΊΠΎΠ΅ ΠΏΡΠΈΡΠΏΠΎΡΠΎΠ±Π»Π΅Π½ΠΈΠ΅ Π² ΠΏΡΠΎΠΌΡΡΠ»Π΅Π½Π½ΡΡ ΠΌΠ°ΡΡΡΠ°Π±Π°Ρ , ΡΠ΅ΠΊΠΎΠΌΠ΅Π½Π΄ΡΠ΅ΠΌ ΠΏΡΠΈΠΎΠ±ΡΠ΅ΡΡΠΈ Π²ΠΈΠ±ΡΠΎΠ³ΡΠΎΡ ΠΎΡ Π½Π° ΡΡΠΎΠΌ ΡΠ°ΠΉΡΠ΅. ΠΠΈΠ±ΡΠΎΠ³ΡΠΎΡ ΠΎΡ β ΡΡΠΎ ΠΏΡΠΎΠΌΡΡΠ»Π΅Π½Π½ΠΎΠ΅ ΠΎΠ±ΠΎΡΡΠ΄ΠΎΠ²Π°Π½ΠΈΠ΅ Ρ ΠΏΡΠΈΠ²ΠΎΠ΄ΠΎΠΌ ΠΈ Π²ΠΈΠ±ΡΠ°ΡΠΈΠ΅ΠΉ, Π΅Π³ΠΎ ΠΈΡΠΏΠΎΠ»ΡΠ·ΡΡΡ Π΄Π»Ρ ΠΎΡΡΠ΅ΠΈΠ²Π°Π½ΠΈΡ ΠΊΡΡΠΊΠΎΠ²ΡΡ ΠΈ ΡΡΠΏΡΡΠΈΡ ΠΌΠ°ΡΠ΅ΡΠΈΠ°Π»ΠΎΠ² Π½Π° ΡΠΈΡΠ΅ Ρ ΡΠ°Π·Π»ΠΈΡΠ½ΡΠΌΠΈ ΡΡΠ°ΠΊΡΠΈΡΠΌΠΈ.
Π‘ΠΎΡΡΠ°Π²Π»ΡΡΡΠΈΠ΅ Π²ΠΈΠ±ΡΠΎΡΠΈΡΠ° Π΄ΠΎΠ²ΠΎΠ»ΡΠ½ΠΎ ΠΏΡΠΎΡΡΡ ΠΈ Π΄ΠΎΡΡΡΠΏΠ½Ρ. Π‘Π΄Π΅Π»Π°ΡΡ ΡΠ°ΠΊΡΡ ΠΊΠΎΠ½ΡΡΡΡΠΊΡΠΈΡ Π½Π΅ Π·Π°ΠΉΠΌΠ΅Ρ ΠΌΠ½ΠΎΠ³ΠΎ Π½ΠΈ Π²ΡΠ΅ΠΌΠ΅Π½ΠΈ, Π½ΠΈ ΡΡΠ΅Π΄ΡΡΠ².
ΠΠΈΠ±ΡΠΎΡΠΈΡΠΎ ΡΠΎΡΡΠΎΠΈΡ ΠΈΠ·:
β’ ΠΡΠ½ΠΎΠ²Π° (ΡΠ°ΠΌΠ°) ΠΊ Π½Π΅ΠΉ ΠΈ Π±ΡΠ΄ΡΡ ΠΊΡΠ΅ΠΏΠΈΡΡΡΡ Π²ΡΠ΅ ΡΠΎΡΡΠ°Π²Π»ΡΡΡΠΈΠ΅ ΡΠ»Π΅ΠΌΠ΅Π½ΡΡ;
β’ ΡΠ»Π΅ΠΊΡΡΠΎΠΏΠΈΠ»Π° (Π±ΡΠ΄Π΅Ρ ΠΈΡΠΏΠΎΠ»Π½ΡΡΡ ΡΡΠ½ΠΊΡΠΈΡ Π΄Π²ΠΈΠ³Π°ΡΠ΅Π»Ρ);
β’ Π½Π°ΡΡΠΆΠ½ΡΠΉ ΡΡΠΈΠΊ Π½Π° ΠΊΠΎΠ»Π΅ΡΠΈΠΊΠ°Ρ
;
β’ Π²Π½ΡΡΡΠ΅Π½Π½ΠΈΠΉ ΡΡΠΈΠΊ Ρ ΠΌΠ΅ΡΠ°Π»Π»ΠΈΡΠ΅ΡΠΊΠΎΠΉ ΡΠ΅ΡΠΊΠΎΠΉ Π²ΠΌΠ΅ΡΡΠΎ Π΄Π½Π°;
β’ ΡΠ΅Π»ΡΡΡ, Π΄Π»Ρ Π΄Π²ΠΈΠΆΠ΅Π½ΠΈΡ ΡΡΠΈΠΊΠΎΠ²;
β’ ΠΆΠ΅Π»ΠΎΠ± Π΄Π»Ρ Π½Π°ΠΊΠ°ΠΏΠ»ΠΈΠ²Π°Π½ΠΈΡ ΠΏΡΠΎΡΠ΅ΡΠ½Π½ΠΎΠ³ΠΎ;
β’ Π½Π°ΡΡΠΆΠ½ΡΠΉ Π±Π»ΠΎΠΊ, ΡΡΠΎΠ±Ρ ΠΊΠΎΠ½ΡΡΠΎΠ»ΠΈΡΠΎΠ²Π°ΡΡ ΡΠΊΠΎΡΠΎΡΡΡ Π΄Π²ΠΈΠΆΠ΅Π½ΠΈΡ Π΄Π²ΠΈΠ³Π°ΡΠ΅Π»Ρ (ΡΠ»Π΅ΠΊΡΡΠΎΠΏΠΈΠ»Ρ)
Π§ΡΠΎΠ±Ρ ΡΠ²ΠΎΠΈΠΌΠΈ ΡΡΠΊΠ°ΠΌΠΈ ΡΠ΄Π΅Π»Π°ΡΡ Π²ΠΈΠ±ΡΠΎΡΠΈΡΠΎ Π½Π°ΠΌ ΠΏΠΎΠ½Π°Π΄ΠΎΠ±ΡΡΡΡ ΡΠ°ΠΊΠΈΠ΅ ΠΌΠ°ΡΠ΅ΡΠΈΠ°Π»Ρ:
β’ Π±ΡΡΡΡΡ (60 Ρ
60 ΠΈΠ»ΠΈ 60 Ρ
70 ΠΌΠΌ); Π΄Π»Ρ ΡΠΊΠΎΠ½ΠΎΠΌΠΈΠΈ Π»ΡΡΡΠ΅ ΠΈΡΠΏΠΎΠ»ΡΠ·ΠΎΠ²Π°ΡΡ ΡΠΎΡΠ½Ρ;
β’ Π½Π΅ ΡΠΎΠ»ΡΡΡΠ΅ Π΄ΠΎΡΠΊΠΈ ΠΈΠ»ΠΈ Π»ΠΈΡΡ ΡΠ°Π½Π΅ΡΡ Π΄ΠΈΠ°ΠΌΠ΅ΡΡΠΎΠΌ 18-22 ΠΌΠΌ
β’ ΡΠ΅ΡΡΡ ΡΠ΅Π·ΠΈΠ½ΠΎΠ²ΡΡ
Π°ΠΌΠΎΡΡΠΈΠ·Π°ΡΠΎΡΠΎΠ²;
β’ ΡΠ΅ΡΡΡΠ΅ ΠΊΠΎΠ»Π΅ΡΠΈΠΊΠ° β ΡΠΎΠ»ΠΈΠΊΠΈ;
β’ ΡΠΎΡΠ»ΡΠ½Π°Ρ ΠΏΠ΅ΡΠ»Ρ;
β’ ΡΠ³ΠΎΠ»ΠΊΠΈ ΠΈΠ· ΠΌΠ΅ΡΠ°Π»Π»Π° ΠΈ ΡΠ°ΠΊΠΈΠ΅ ΠΆΠ΅ ΠΏΠ»Π°ΡΡΠΈΠ½Ρ (Π΄Π»Ρ ΠΏΡΠΎΡΠ½ΠΎΡΡΠΈ ΠΈ Π½Π°Π΄Π΅ΠΆΠ½ΠΎΡΡΠΈ ΠΏΡΠΈ ΠΊΡΠ΅ΠΏΠ»Π΅Π½ΠΈΠΈ Π΄Π΅ΡΠ΅Π²ΡΠ½Π½ΡΡ
Π΄Π΅ΡΠ°Π»Π΅ΠΉ);
β’ ΠΌΠ΅ΡΠΈΠ·Ρ: Π±ΠΎΠ»ΡΡ, ΡΠ°ΠΌΠΎΡΠ΅Π·Ρ, ΡΠ°ΠΉΠ±Ρ, Π³Π°ΠΉΠΊΠΈ.
ΠΠ½ΡΡΡΡΠΊΡΠΈΡ ΠΏΠΎ ΠΈΠ·Π³ΠΎΡΠΎΠ²Π»Π΅Π½ΠΈΡ Π²ΠΈΠ±ΡΠΎΡΠΈΡΠ°
ΠΠ΅ΡΠ²ΡΠΌ Π΄Π΅Π»ΠΎΠΌ Π΄Π΅Π»Π°Π΅ΠΌ ΡΠ΅ΡΡΠ΅ΠΆ Π±ΡΠ΄ΡΡΠ΅Π³ΠΎ Π²ΠΈΠ±ΡΠΎΡΠΈΡΠ°, ΡΡΠΎ Π΄Π΅Π»ΠΎ Π½Π΅ ΡΠ»ΠΎΠΆΠ½ΠΎΠ΅.
Π Π°Π·ΠΌΠ΅ΡΡ Π²ΠΈΠ±ΡΠΎΡΠΈΡΠ°:
β’ ΠΎΠ±ΡΠΈΠ΅ ΡΠ°Π·ΠΌΠ΅ΡΡ ΠΎΡΠ½ΠΎΠ²Ρ (ΡΠ°ΠΌΡ): Π΄Π»ΠΈΠ½Π° β 135 ΡΠΌ, ΡΠΈΡΠΈΠ½Π° β 56 ΡΠΌ, Π²ΡΡΠΎΡΠ° β 85 ΡΠΌ
β’ ΡΠ°Π·ΠΌΠ΅ΡΡ Π½Π°ΡΡΠΆΠ½ΠΎΠ³ΠΎ ΡΡΠΈΠΊΠ°: Π΄Π»ΠΈΠ½Π° β 61 ΡΠΌ, ΡΠΈΡΠΈΠ½Π° β 45,5 ΡΠΌ, Π³Π»ΡΠ±ΠΈΠ½Π° β 120 ΡΠΌ;
β’ ΡΠ°Π·ΠΌΠ΅Ρ Π²Π½ΡΡΡΠ΅Π½Π½Π΅Π³ΠΎ ΡΡΠΈΠΊΠ° Π΄Π΅Π»Π°Π΅ΡΡΡ Ρ ΡΡΠ΅ΡΠΎΠΌ ΡΠΎΠ³ΠΎ ΡΡΠΎΠ±Ρ ΠΈΠ· Π½Π΅Π³ΠΎ Ρ Π»Π΅Π³ΠΊΠΎΡΡΡΡ ΠΌΠΎΠΆΠ½ΠΎ Π±ΡΠ»ΠΎ Π²ΡΡΡΠΏΠ°ΡΡ ΠΏΡΠΎΡΠ΅ΡΠ½Π½ΠΎΠ΅ ΡΠΎΠ΄Π΅ΡΠΆΠΈΠΌΠΎΠ΅.
ΠΠ΅ΡΠ²ΡΠΌ Π΄Π΅Π»ΠΎΠΌ ΠΈΠ· Π΄Π΅ΡΠ΅Π²ΡΠ½Π½ΡΡ Π±ΡΡΡΡΠ΅Π² ΠΈ Π΄ΠΎΡΠΎΠΊ Π΄Π΅Π»Π°Π΅ΠΌ ΠΎΡΠ½ΠΎΠ²Ρ Π½ΡΠΆΠ½ΠΎΠ³ΠΎ ΡΠ°Π·ΠΌΠ΅ΡΠ°. ΠΠ΅ΡΠ΅Π²ΡΠ½Π½ΡΠ΅ ΡΠ»Π΅ΠΌΠ΅Π½ΡΡ ΠΌΠ΅ΠΆΠ΄Ρ ΡΠΎΠ±ΠΎΠΉ ΠΊΡΠ΅ΠΏΠΈΠΌ ΠΏΡΠΈ ΠΏΠΎΠΌΠΎΡΠΈ ΠΌΠ΅ΡΠ°Π»Π»ΠΈΡΠ΅ΡΠΊΠΈΡ ΠΏΠ»Π°ΡΡΠΈΠ½, ΠΈ ΡΠ³ΠΎΠ»ΠΊΠΎΠ², ΡΠΈΠΊΡΠΈΡΡΡ ΡΠ°ΠΌΠΎΡΠ΅Π·Π°ΠΌΠΈ. ΠΠ½ΡΡΡΠΈ ΡΠ°ΠΌΡ ΠΌΠΎΠ½ΡΠΈΡΡΠ΅ΠΌ Π½Π°ΠΏΡΠ°Π²Π»ΡΡΡΠΈΠ΅, Π΄ΡΡΠ³ΠΈΠΌΠΈ ΡΠ»ΠΎΠ²Π°ΠΌΠΈ Β«ΡΠ΅Π»ΡΡΡΒ» ΠΈΡΠΏΠΎΠ»ΡΠ·ΡΡ Π΄Π»Ρ ΡΡΠΎΠ³ΠΎ ΡΠ΅ΡΡΡ ΡΠ³ΠΎΠ»ΠΊΠΎΠ², ΠΊΠΎΡΠΎΡΡΠ΅ Π±ΡΠ΄ΡΡ ΠΏΡΠΈΠ²ΠΎΠ΄ΠΈΡΡ Π² Π΄Π²ΠΈΠΆΠ΅Π½ΠΈΡ ΡΡΠΈΠΊΠΈ. Π§ΡΠΎ Π±Ρ ΡΠ²Π΅Π»ΠΈΡΠΈΡΡ Π°Π½ΡΠΈΠ²ΠΈΠ±ΡΠ°ΡΠΈΠΎΠ½Π½ΡΠ΅ ΡΠ²ΠΎΠΉΡΡΠ²Π° Π½Π°ΠΏΡΠ°Π²Π»ΡΡΡΠΈΡ ΠΌΠ΅ΠΆΠ΄Ρ ΡΠ³ΠΎΠ»ΠΊΠ°ΠΌΠΈ ΠΌΠΎΠ½ΡΠΈΡΡΠ΅ΠΌ ΡΠ΅Π·ΠΈΠ½ΠΎΠ²ΡΠ΅ ΠΏΡΠΎΠΊΠ»Π°Π΄ΠΊΠΈ β ΠΎΠΏΠΎΡΡ. ΠΠ΅ΠΆΠ΄Ρ ΡΠΎΠ±ΠΎΠΉ Π½Π°ΠΏΡΠ°Π²Π»ΡΡΡΠΈΠ΅ ΠΊΡΠ΅ΠΏΠΈΠΌ ΠΏΡΠΈ ΠΏΠΎΠΌΠΎΡΠΈ ΠΏΠΎΠΏΠ΅ΡΠ΅ΡΠ½ΡΡ Π±ΡΡΡΡΠ΅Π² (ΠΏΠΎ ΠΏΡΠΈΠ½ΡΠΈΠΏΡ ΡΠ΅Π»ΡΡ). ΠΠ΅ΡΡ Ρ ΡΠ°ΠΌΡ ΡΠΎΠΎΡΡΠΆΠ°Π΅ΠΌ ΠΏΠ»ΠΎΡΠ°Π΄ΠΊΡ Π½Π° ΠΊΠΎΡΠΎΡΡΡ ΡΡΡΠ°Π½Π°Π²Π»ΠΈΠ²Π°Π΅ΠΌ ΡΠ»Π΅ΠΊΡΡΠΎΠΏΠΈΠ»Ρ.
ΠΠ°Π»Π΅Π΅ Π΄Π΅Π»Π°Π΅ΠΌ ΠΏΡΠΈΡΠΏΠΎΡΠΎΠ±Π»Π΅Π½ΠΈΠ΅ ΡΠΎΡΡΠΎΡΡΠΈΡ ΠΈΠ· Π΄Π²ΡΡ ΡΡΠΈΠΊΠΎΠ², Π½Π°Ρ ΠΎΠ΄ΡΡΠΈΡ ΡΡ Π΄ΡΡΠ³ Π² Π΄ΡΡΠ³Π΅ ΠΈ ΡΠΊΡΠ΅ΠΏΠ»Π΅Π½Ρ ΠΏΡΠΈ ΠΏΠΎΠΌΠΎΡΠΈ ΡΠΎΡΠ»ΡΠ½ΠΎΠΉ ΠΏΠ΅ΡΠ»ΠΈ. ΠΠ°ΡΡΠΆΠ½ΡΠΉ ΡΡΠΈΠΊ Π΄Π΅Π»Π°Π΅ΠΌ Π±Π΅Π· Π΄Π½Π°. Π Π²Π½ΡΡΡΠ΅Π½Π½Π΅ΠΌΡ ΡΡΠΈΠΊΡ, Π²ΠΌΠ΅ΡΡΠΎ Π΄Π½Π°, ΠΊΡΠ΅ΠΏΠΈΠΌ ΡΠ΅ΡΠΊΡ. Π Π°Π·ΠΌΠ΅Ρ ΡΠ΅ΡΠΊΠΈ Π·Π°Π²ΠΈΡΠΈΡ ΠΎΡ ΠΌΠ°ΡΠ΅ΡΠΈΠ°Π»Π°, ΠΊΠΎΡΠΎΡΡΠΉ Π½ΡΠΆΠ½ΠΎ ΠΏΡΠΎΡΠ΅ΡΡΡ ΠΈ ΠΊΠ°ΠΊΡΡ ΡΡΠ°ΠΊΡΠΈΡ ΠΏΡΠΎΡΠ΅ΡΠ½Π½ΠΎΠ³ΠΎ ΠΌΡ Ρ ΠΎΡΠΈΠΌ ΠΏΠΎΠ»ΡΡΠΈΡΡ Π² ΠΈΡΠΎΠ³Π΅. Π ΡΡΠΈΠΊΡ Π±Π΅Π· Π΄Π½Π° ΡΠ½ΠΈΠ·Ρ ΠΌΠΎΠ½ΡΠΈΡΡΠ΅ΠΌ ΡΠ΅ΡΡΡΠ΅ ΠΌΠ΅Π±Π΅Π»ΡΠ½ΡΡ ΡΠΎΠ»ΠΈΠΊΠ°. ΠΠ΅Π·Π²ΠΈΠ΅ ΠΏΠΈΠ»Ρ ΠΊΡΠ΅ΠΏΠΈΠΌ ΠΊ Π½Π°ΡΡΠΆΠ½ΠΎΠΌΡ ΡΡΠΈΠΊΡ ΠΏΡΠΈ ΠΏΠΎΠΌΠΎΡΠΈ Π±ΠΎΠ»ΡΠΎΠ² ΠΈ ΡΠΊΠΎΠ±Ρ ΠΈΠ· ΠΏΡΡΠΆΠΈΠ½Ρ. ΠΠΈΠ±ΡΠΈΡΡΡΡΠΈΠ΅ Π΄Π²ΠΈΠΆΠ΅Π½ΠΈΡ ΠΎΡ Π»Π΅Π·Π²ΠΈΠ΅ ΡΠ°ΡΠΏΡΠΎΡΡΡΠ°Π½ΡΠ΅ΡΡΡ Π½Π° ΡΡΠΈΠΊΠΈ, ΠΊΠΎΡΠΎΡΡΠ΅ Π² ΡΠ²ΠΎΡ, ΠΎΡΠ΅ΡΠ΅Π΄Ρ, ΠΏΡΠΈΠ²ΠΎΠ΄ΡΡ ΠΈΡ Π² Π΄Π²ΠΈΠΆΠ΅Π½ΠΈΠ΅ (Π²ΠΏΠ΅ΡΠ΅Π΄- Π½Π°Π·Π°Π΄) ΠΏΠΎ Π½Π°ΠΏΡΠ°Π²Π»ΡΡΡΠΈΠΌ. ΠΠ»Π°Π³ΠΎΠ΄Π°ΡΡ Π΄Π²ΠΈΠΆΠ΅Π½ΠΈΡ ΡΠ΅ΡΠΊΠ° Π²ΠΈΠ±ΡΠΈΡΡΠ΅Ρ ΠΈ Π½ΡΠΆΠ½ΡΠΉ Π½Π°ΠΌ ΠΌΠ°ΡΠ΅ΡΠΈΠ°Π» ΠΏΡΠΎΡΠ΅ΠΈΠ²Π°Π΅ΡΡΡ.
Π Π»ΠΈΡΡΠ° ΡΠ°Π½Π΅ΡΡ ΠΈΠ·Π³ΠΎΡΠ°Π²Π»ΠΈΠ²Π°Π΅ΠΌ ΠΆΠ΅Π»ΠΎΠ±, Π±Π»Π°Π³ΠΎΠ΄Π°ΡΡ ΠΊΠΎΡΠΎΡΠΎΠΌΡ ΡΠΆΠ΅ ΠΏΡΠΎΡΠ΅ΡΠ½Π½ΡΠΉ ΠΌΠ°ΡΠ΅ΡΠΈΠ°Π» ΠΏΠΎΠΏΠ°Π΄Π°Π΅Ρ Π² ΡΠΏΠ΅ΡΠΈΠ°Π»ΡΠ½ΠΎ ΠΏΡΠ΅Π΄Π½Π°Π·Π½Π°ΡΠ΅Π½Π½ΡΡ Π΅ΠΌΠΊΠΎΡΡΡ.
ΠΠΎΡΠ½ΠΎΡΡΡ ΡΡΡΠ°, ΡΠ΄Π΅Π»Π°Π½Π½ΠΎΠ³ΠΎ ΡΠ²ΠΎΠΈΠΌΠΈ ΡΡΠΊΠ°ΠΌΠΈ, Π·Π°Π²ΠΈΡΠΈΡ ΠΎΡ ΠΊΠ°ΡΠ΅ΡΡΠ²Π° ΠΈ ΠΌΠΎΡΠ½ΠΎΡΡΠΈ ΡΠ»Π΅ΠΊΡΡΠΎΠΏΠΈΠ»Ρ. Π§Π΅ΠΌ Π±ΠΎΠ»ΡΡΠ΅ ΠΌΠΎΡΠ½ΠΎΡΡΡ, ΡΠ΅ΠΌ Π±ΠΎΠ»ΡΡΠ΅ ΠΌΠΎΠ³ΡΡ Π±ΡΡΡ ΡΠ°Π·ΠΌΠ΅ΡΡ Π²ΠΈΠ±ΡΠΎΡΠΈΡΠ°. Π§Π΅ΠΌ Π±ΠΎΠ»ΡΡΠ΅ ΡΠ°Π·ΠΌΠ΅ΡΡ, ΡΠ΅ΠΌ Π±ΠΎΠ»ΡΡΠ΅ ΠΈ Π±ΡΡΡΡΠ΅Π΅ ΠΏΡΠΎΡΠ΅ΡΠ½Π½ΠΎΠ³ΠΎ ΠΌΠ°ΡΠ΅ΡΠΈΠ°Π»Π° ΠΌΡ ΠΏΠΎΠ»ΡΡΠΈΠΌ.
ΠΠ°ΡΡΠΆΠ½ΡΠΉ Π±Π»ΠΎΠΊ ΡΠ΅Π³ΡΠ»ΠΈΡΠΎΠ²Π°Π½ΠΈΡ ΡΠΊΠΎΡΠΎΡΡΠΈ
ΠΠ΅Π·Π²ΠΈΠ΅ ΡΠ»Π΅ΠΊΡΡΠΎΠΏΠΈΠ»Ρ Π΄Π²ΠΈΠ³Π°Π΅ΡΡΡ Ρ ΠΎΡΠ΅Π½Ρ Π±ΠΎΠ»ΡΡΠΎΠΉ ΡΠΊΠΎΡΠΎΡΡΡΡ, Π½Π°ΠΌ ΡΠ°ΠΊΠ°Ρ ΡΠΊΠΎΡΠΎΡΡΡ Π½Π΅ Π½ΡΠΆΠ½Π°, ΠΏΠΎΡΡΠΎΠΌΡ ΠΌΡ ΡΡΡΠ°Π½ΠΎΠ²ΠΈΠΌ Π±Π»ΠΎΠΊ ΡΠ΅Π³ΡΠ»ΠΈΡΠΎΠ²Π°Π½ΠΈΠ΅ ΡΠΊΠΎΡΠΎΡΡΠΈ Ρ Π²ΡΠΊΠ»ΡΡΠ°ΡΠ΅Π»Π΅ΠΌ ΠΈ ΠΏΡΠ΅Π΄ΠΎΡ
ΡΠ°Π½ΠΈΡΠ΅Π»ΡΠΌΠΈ. ΠΠ»Π°Π³ΠΎΠ΄Π°ΡΡ Π±Π»ΠΎΠΊΡ ΠΌΡ ΡΠΌΠΎΠΆΠ΅ΠΌ Π²ΡΠ±ΡΠ°ΡΡ ΠΏΠΎΠ΄Ρ
ΠΎΠ΄ΡΡΠΈΠΉ ΡΠ΅ΠΆΠΈΠΌ Π²ΠΈΠ±ΡΠΈΡΠΎΠ²Π°Π½ΠΈΡ ΡΡΡΠ°, Π°Π΄Π°ΠΏΡΠΈΡΠΎΠ²Π°Π½Π½ΠΎΠ³ΠΎ Π½Π° ΡΠ°Π±ΠΎΡΡ Ρ ΡΠ°Π·Π½ΡΠΌΠΈ ΠΌΠ°ΡΠ΅ΡΠΈΠ°Π»Π°ΠΌΠΈ. Π ΡΠ°ΠΊΠΎΠΌ ΡΠ»ΡΡΠ°Π΅ ΠΊΠ½ΠΎΠΏΠΊΠ° Π²ΡΠΊΠ»ΡΡΠ°ΡΠ΅Π»Ρ Π±Π»ΠΎΠΊΠΈΡΡΠ΅ΡΡΡ Π² ΡΠ΅ΠΆΠΈΠΌΠ΅ Β«Π²ΠΊΠ»Β». ΠΡΠ»ΠΈ Ρ Π²Π°Ρ ΡΠ»Π΅ΠΊΡΡΠΎΠΏΠΈΠ»Π° Β«ΡΠΈΡ
ΠΎΠ΄ΠΎΠ½Π°ΡΒ» ΡΠΎ ΠΎΡΠ΄Π΅Π»ΡΠ½ΡΠΉ Π±Π»ΠΎΠΊ Π½Π΅ ΠΏΠΎΠ½Π°Π΄ΠΎΠ±ΠΈΡΡΡ.
Π Π΅ΠΊΠΎΠΌΠ΅Π½Π΄ΡΡ ΡΠ»Π΅ΠΊΡΡΠΎΠΏΠΈΠ»Ρ ΠΏΡΠΈΠΊΡΡΡΡ, ΡΡΠΎΠ±Ρ Π½Π° Π½Π΅Π΅ Π½Π΅ ΠΏΠΎΠΏΠ°Π΄Π°Π»Π° ΠΏΡΠ»Ρ ΠΎΡ ΠΏΡΠΎΡΠ΅ΡΠ½Π½ΠΎΠ³ΠΎ ΠΌΠ°ΡΠ΅ΡΠΈΠ°Π»Π°. ΠΠ°ΡΠΈΡΠ½ΡΠΉ ΡΠΈΡ ΠΌΠΎΠΆΠ½ΠΎ ΡΠ΄Π΅Π»Π°ΡΡ Π΄Π°ΠΆΠ΅ ΠΈΠ· ΠΏΠ»Π°ΡΡΠΈΠΊΠΎΠ²ΠΎΠΉ Π±ΡΡΡΠ»ΠΊΠΈ ΡΠΎΠΎΡΠ²Π΅ΡΡΡΠ²ΡΡΡΠ΅Π³ΠΎ ΡΠ°Π·ΠΌΠ΅ΡΠ°
ΠΠΌΠ΅ΡΡΠΎ ΡΠ»Π΅ΠΊΡΡΠΎΠΏΠΈΠ»Ρ ΠΌΠΎΠΆΠ½ΠΎ ΠΈΡΠΏΠΎΠ»ΡΠ·ΠΎΠ²Π°ΡΡ ΡΠ»Π΅ΠΊΡΡΠΎΠ΄ΡΠ΅Π»Ρ ΠΈΠ»ΠΈ ΡΠ»Π΅ΠΊΡΡΠΎΠ»ΠΎΠ±Π·ΠΈΠΊ. ΠΠ°ΠΊ ΡΠ΄Π΅Π»Π°ΡΡ Π²ΠΈΠ±ΡΠΎΡΠΈΡΠΎ ΠΈΠ· ΡΠ»Π΅ΠΊΡΡΠΎΠ»ΠΎΠ±Π·ΠΈΠΊΠ° Π²Ρ ΡΠΌΠΎΠΆΠ΅ΡΠ΅ ΠΏΡΠΎΡΠΌΠΎΡΡΠ΅ΡΡ Π½Π° Π²ΠΈΠ΄Π΅ΠΎ.
Π‘Π°ΠΌΠΎΠ΄Π΅Π»ΡΠ½ΡΠΉ Π³ΡΠΎΡ ΠΎΡ
ΠΠ²ΡΠΎΡΠΈΠ·Π°ΡΠΈΡ Π½Π° ΡΠ°ΠΉΡΠ΅
ΠΠ΅ΡΠ²ΡΠΉ ΡΠ»Π΅ΠΊΡΡΠΎΠ³ΡΠΎΡ ΠΎΡ ΠΏΠΎΠ»ΡΡΠΈΠ»ΡΡ Ρ ΠΌΠ΅Π½Ρ Π½Π΅ ΡΠΎΠ²ΡΠ΅ΠΌ ΡΠ΄Π°ΡΠ½ΡΠΌ. ΠΠ΄Π½Π°ΠΊΠΎ Π²ΡΠΎΡΠΎΠΉ, Π΄ΠΎΡΠ°Π±ΠΎΡΠ°Π½Π½ΡΠΉ, ΡΡΠ°Π» ΡΠ΄ΠΎΠ²Π»Π΅ΡΠ²ΠΎΡΡΡΡ Π²ΡΠ΅ΠΌ Π·Π°ΠΏΠ»Π°Π½ΠΈΡΠΎΠ²Π°Π½Π½ΡΠΌ ΡΡΠ΅Π±ΠΎΠ²Π°Π½ΠΈΡΠΌ. ΠΠ»Ρ ΠΈΠ·Π³ΠΎΡΠΎΠ²Π»Π΅Π½ΠΈΡ Π½Π΅ ΠΏΠΎΠ½Π°Π΄ΠΎΠ±ΠΈΠ»ΠΎΡΡ Π½ΠΈ Π΄Π΅ΡΠΈΡΠΈΡΠ½ΡΡ ΠΌΠ°ΡΠ΅ΡΠΈΠ°Π»ΠΎΠ², Π½ΠΈ Π²ΡΡΠΎΠΊΠΎΠΉ ΠΊΠ²Π°Π»ΠΈΡΠΈΠΊΠ°ΡΠΈΠΈ ΠΈΡΠΏΠΎΠ»Π½ΠΈΡΠ΅Π»Ρ.
ΠΠΎΠ½ΡΡΡΡΠΊΡΠΈΡ ΡΠΎΡΡΠΎΠΈΡ ΠΈΠ· ΠΎΡΠ½ΠΎΠ²Π°Π½ΠΈΡ, ΡΡΠΎΠ΅ΠΊ, ΡΠ°ΠΌΡ Ρ ΡΠ»Π΅ΠΊΡΡΠΎΠ΄Π²ΠΈΠ³Π°ΡΠ΅Π»Π΅ΠΌ, ΠΏΠΎΠ΄ΠΏΠΎΡΠΎΠΊ ΠΈ ΡΡΡΠΆΠ΅ΠΊ. Π£ΠΊΠ°Π·Π°Π½Π½ΡΠ΅ Π½Π° ΡΠ΅ΡΡΠ΅ΠΆΠ°Ρ ΡΠ°Π·ΠΌΠ΅ΡΡ ΠΎΡΠΈΠ΅Π½ΡΠΈΡΠΎΠ²ΠΎΡΠ½Ρ ΠΈ ΠΌΠΎΠ³ΡΡ ΠΌΠ΅Π½ΡΡΡΡΡ Π² ΡΠΎΠΎΡΠ²Π΅ΡΡΡΠ²ΠΈΠΈ Ρ ΠΌΠ΅ΡΡΠ½ΡΠΌΠΈ ΠΏΠΎΡΡΠ΅Π±Π½ΠΎΡΡΡΠΌΠΈ ΠΈ Π²ΠΎΠ·ΠΌΠΎΠΆΠ½ΠΎΡΡΡΠΌΠΈ.
ΠΡΠ½ΠΎΠ²Π°Π½ΠΈΠ΅ ΠΏΡΠ΅Π΄ΡΡΠ°Π²Π»ΡΠ΅Ρ ΡΠΎΠ±ΠΎΠΉ Π΄Π²Π° ΠΏΠΎΠ»ΡΡ Π±ΡΡΡΠΊΠ°, ΠΊΠ°ΠΆΠ΄ΡΠΉ ΠΈΠ· Π½ΠΈΡ ΠΈΠ·Π³ΠΎΡΠΎΠ²Π»Π΅Π½ ΠΈΠ· Π΄Π²ΡΡ Π΄ΠΎΡΠΎΠΊ, ΡΠΎΠ΅Π΄ΠΈΠ½Π΅Π½Π½ΡΡ ΡΠ΅ΡΠ΅Π· ΠΏΡΠΎΡΡΠ°Π²ΠΊΠΈ. Π Π±ΡΡΡΠΊΠ°Ρ ΠΎΡΠ½ΠΎΠ²Π°Π½ΠΈΡ ΠΏΡΠΎΡΠ²Π΅ΡΠ»ΠΈΠ²Π°ΡΡΡΡ ΠΎΡΠ²Π΅ΡΡΡΠΈΡ Π΄ΠΈΠ°ΠΌΠ΅ΡΡΠΎΠΌ 14 ΠΌΠΌ.
ΠΠ»Ρ ΠΏΡΠΈΠ΄Π°Π½ΠΈΡ ΠΊΠΎΠ½ΡΡΡΡΠΊΡΠΈΠΈ ΠΊΠΎΠ»Π΅Π±Π°ΡΠ΅Π»ΡΠ½ΡΡ
Π΄Π²ΠΈΠΆΠ΅Π½ΠΈΠΉ Ρ ΠΎΡΠΊΠ°Π·Π°Π»ΡΡ ΠΎΡ ΡΠ΅Π΄ΡΠΊΡΠΎΡΠ° Ρ Ρ
ΡΠ°ΠΏΠΎΠ²ΠΈΠΊΠΎΠΌ ΠΈΠ·-Π·Π° ΡΠ»ΠΎΠΆΠ½ΠΎΡΡΠΈ ΠΈΠ·Π³ΠΎΡΠΎΠ²Π»Π΅Π½ΠΈΡ ΠΈ ΠΏΡΠΎΠΈΠ·Π²ΠΎΠ΄ΠΈΠΌΠΎΠ³ΠΎ ΠΈΠΌ ΡΠΈΠ»ΡΠ½ΠΎΠ³ΠΎ ΡΡΠΌΠ°. ΠΠΈΠ±ΡΠ°ΡΠΈΡ ΡΠΎΠ·Π΄Π°Π΅ΡΡΡ ΠΏΡΡΠ΅ΠΌ ΡΠ°Π·Π±Π°Π»Π°Π½ΡΠΈΡΠΎΠ²ΠΊΠΈ Π²Π°Π»Π° ΡΠ»Π΅ΠΊΡΡΠΎΠ΄Π²ΠΈΠ³Π°ΡΠ΅Π»Ρ. ΠΠΊΡΡΠ΅Π½ΡΡΠΈΠΊ Π΄Π΅Π»Π°Π΅ΡΡΡ ΠΈΠ· ΠΎΠ±ΡΠΊΠ½ΠΎΠ²Π΅Π½Π½ΠΎΠΉ Π΄Π΅ΡΠ΅Π²ΡΠ½Π½ΠΎΠΉ ΡΡΡΠΊΠΈ.
ΠΠΎΠ΄Π±ΠΎΡΠΎΠΌ Π΅Π΅ ΡΠΎΡΠΌΡ ΠΈ Π²Π΅ΡΠ° Π΄ΠΎΡΡΠΈΠ³Π°ΡΡΡΡ Π½Π΅ΠΎΠ±Ρ
ΠΎΠ΄ΠΈΠΌΡΠ΅ ΡΠ°ΡΡΠΎΡΠ° ΠΈ Π°ΠΌΠΏΠ»ΠΈΡΡΠ΄Π° ΠΊΠΎΠ»Π΅Π±Π°Π½ΠΈΠΉ.
ΠΠ°Π½ΠΈΠΌΠ°ΡΡΡ Π΄Π°Π»ΡΠ½Π΅ΠΉΡΠ΅ΠΉ ΠΌΠΎΠ΄Π΅ΡΠ½ΠΈΠ·Π°ΡΠΈΠ΅ΠΉ, Ρ ΡΡΡΠ°Π½ΠΎΠ²ΠΈΠ» Π½Π° Π³ΡΠΎΡ
ΠΎΡ ΡΡΡΡΠΎΠΉΡΡΠ²ΠΎ, ΠΊΠΎΡΠΎΡΠΎΠ΅ Π°Π²ΡΠΎΠΌΠ°ΡΠΈΡΠ΅ΡΠΊΠΈ Π²ΠΊΠ»ΡΡΠ°Π΅Ρ ΠΈΠ»ΠΈ Π²ΡΠΊΠ»ΡΡΠ°Π΅Ρ Π΄Π²ΠΈΠ³Π°ΡΠ΅Π»Ρ Π² Π·Π°Π²ΠΈΡΠΈΠΌΠΎΡΡΠΈ ΠΎΡ Π½Π°Π³ΡΡΠ·ΠΊΠΈ Π½Π° ΡΠ°ΠΌΠ΅. ΠΡΠΎ ΠΏΠΎΠ·Π²ΠΎΠ»ΡΠ΅Ρ ΠΈΡΠΊΠ»ΡΡΠΈΡΡ Ρ
ΠΎΠ»ΠΎΡΡΠΎΠΉ ΡΠΈΠΊΠ» ΡΠ°Π±ΠΎΡΡ, ΡΡΠΊΠΎΠ½ΠΎΠΌΠΈΡΡ ΡΠ»Π΅ΠΊΡΡΠΎΡΠ½Π΅ΡΠ³ΠΈΡ
ΠΈ ΡΠ²Π΅Π»ΠΈΡΠΈΡΡ ΡΠ΅ΡΡΡΡ ΠΊΠΎΠ½ΡΡΡΡΠΊΡΠΈΠΈ Π² ΡΠ΅Π»ΠΎΠΌ.
Π ΠΈΡ.3. ΠΠ»Π΅ΠΊΡΡΠΈΡΠ΅ΡΠΊΠ°Ρ ΡΡ Π΅ΠΌΠ° Π³ΡΠΎΡ ΠΎΡΠ°.
Π Π°Π±ΠΎΡΠ°Π΅Ρ Β«Π°Π²ΡΠΎΠΌΠ°ΡΠΈΠΊΠ°Β» ΡΠ»Π΅Π΄ΡΡΡΠΈΠΌ ΠΎΠ±ΡΠ°Π·ΠΎΠΌ. ΠΡΠΈ Π·Π°Π³ΡΡΠ·ΠΊΠ΅ ΡΠ°ΠΌΠ° ΠΎΠΏΡΡΠΊΠ°Π΅ΡΡΡ Π²Π½ΠΈΠ· ΠΈ Π½Π°ΠΆΠΈΠΌΠ°Π΅Ρ Π½Π° ΠΊΠ½ΠΎΠΏΠΊΡ S1. ΠΠ΅ ΠΊΠΎΠ½ΡΠ°ΠΊΡΡ Π·Π°ΠΌΡΠΊΠ°ΡΡ ΡΠ΅ΠΏΡ ΡΠ»Π΅ΠΊΡΡΠΎΠ΄Π²ΠΈΠ³Π°ΡΠ΅Π»Ρ. ΠΠ½ Π½Π°ΡΠΈΠ½Π°Π΅Ρ Π²ΡΠ°ΡΠ°ΡΡΡΡ ΠΈ ΡΡΡΡΡΠΈ ΡΠ°ΠΌΡ. ΠΡΠΈ ΠΏΠ΅ΡΠ²ΠΎΠΌ ΠΆΠ΅ Β«ΠΏΡΠΎΠ²Π°Π»Π΅Β» ΡΠ°ΠΌΡ ΠΎΡ Π²ΠΈΠ±ΡΠ°ΡΠΈΠΈ ΠΎΠ½Π° Π½Π°ΠΆΠΈΠΌΠ°Π΅Ρ Π½Π° ΠΊΠ½ΠΎΠΏΠΊΡ S2. Π’Π°, Π² ΡΠ²ΠΎΡ ΠΎΡΠ΅ΡΠ΅Π΄Ρ, Π·Π°ΠΌΡΠΊΠ°Π΅Ρ ΡΠ΅ΠΏΡ ΠΏΠΈΡΠ°Π½ΠΈΡ ΡΠ»Π΅ΠΊΡΡΠΎΠΌΠ°Π³Π½ΠΈΡΠ½ΠΎΠ³ΠΎ ΡΠ΅Π»Π΅, ΠΊΠΎΡΠΎΡΠΎΠ΅ ΠΊΠΎΠ½ΡΠ°ΠΊΡΠ°ΠΌΠΈ Π1 ΡΠ°ΠΌΠΎΠ±Π»ΠΎΠΊΠΈΡΡΠ΅ΡΡΡ, Π° ΠΊΠΎΠ½ΡΠ°ΠΊΡΠ°ΠΌΠΈ Π2 ΠΎΡΠΊΠ»ΡΡΠ°Π΅Ρ ΠΎΠ±ΠΌΠΎΡΠΊΡ Π²ΠΎΠ·Π±ΡΠΆΠ΄Π΅Π½ΠΈΡ (ΠΏΡΡΠΊΠΎΠ²ΡΡ) Π΄Π²ΠΈΠ³Π°ΡΠ΅Π»Ρ. ΠΠ»Π°Π³ΠΎΠ΄Π°ΡΡ ΡΠ°ΠΌΠΎΠ±Π»ΠΎΠΊΠΈΡΠΎΠ²ΠΊΠ΅ ΡΠ΅Π»Π΅ ΠΏΡΡΠΊΠΎΠ²Π°Ρ ΠΎΠ±ΠΌΠΎΡΠΊΠ° ΠΎΡΡΠ°Π΅ΡΡΡ ΠΎΡΠΊΠ»ΡΡΠ΅Π½Π½ΠΎΠΉ Π½Π° Π²ΡΠ΅ Π²ΡΠ΅ΠΌΡ ΡΠ°Π±ΠΎΡΡ. ΠΠΎΡΠ»Π΅ ΠΏΡΠΎΡΠ΅ΠΈΠ²Π°Π½ΠΈΡ ΠΌΠ°ΡΠ΅ΡΠΈΠ°Π»Π° Π½Π°Π³ΡΡΠ·ΠΊΠ° Ρ ΡΠ°ΠΌΡ ΡΠ½ΠΈΠΌΠ°Π΅ΡΡΡ. ΠΠ½Π° ΠΏΠΎΠ΄ΡΡΠ³ΠΈΠ²Π°Π΅ΡΡΡ ΠΏΡΡΠΆΠΈΠ½Π°ΠΌΠΈ Π²Π²Π΅ΡΡ ΠΈ ΡΠ°Π·ΠΌΡΠΊΠ°Π΅Ρ ΠΊΠ½ΠΎΠΏΠΊΡ S1. Π‘Ρ Π΅ΠΌΠ° Π²ΠΎΠ·Π²ΡΠ°ΡΠ°Π΅ΡΡΡ Π² ΠΈΡΡ ΠΎΠ΄Π½ΠΎΠ΅ ΡΠΎΡΡΠΎΡΠ½ΠΈΠ΅.
Π₯ΡΠ°Π½ΠΈΡΡΡ Π³ΡΠΎΡ ΠΎΡ Π² ΡΠ°Π·ΠΎΠ±ΡΠ°Π½Π½ΠΎΠΌ Π²ΠΈΠ΄Π΅ Π² ΠΏΠΎΠΌΠ΅ΡΠ΅Π½ΠΈΠΈ, Π·Π°ΡΠΈΡΠ΅Π½Π½ΠΎΠΌ ΠΎΡ Π²Π»Π°Π³ΠΈ ΠΈ ΡΠ½Π΅Π³Π°.
Π’Π΅ΠΌ, ΠΊΡΠΎ Π·Π°Ρ ΠΎΡΠ΅Ρ ΠΈΠ·Π³ΠΎΡΠΎΠ²ΠΈΡΡ ΠΏΠΎΠ΄ΠΎΠ±Π½ΠΎΠ΅ ΠΏΡΠΈΡΠΏΠΎΡΠΎΠ±Π»Π΅Π½ΠΈΠ΅, ΠΏΠΎ ΠΎΠΏΡΡΡ Π΄Π²ΡΡ Π»Π΅ΡΠ½Π΅ΠΉ ΡΠΊΡΠΏΠ»ΡΠ°ΡΠ°ΡΠΈΠΈ ΡΠ²ΠΎΠ΅Π³ΠΎ Π³ΡΠΎΡ ΠΎΡΠ° Ρ ΠΎΡΡ Π΄Π°ΡΡ Π½Π΅ΡΠΊΠΎΠ»ΡΠΊΠΎ ΡΠ΅ΠΊΠΎΠΌΠ΅Π½Π΄Π°ΡΠΈΠΉ. ΠΠΎ-ΠΏΠ΅ΡΠ²ΡΡ , ΠΏΠ΅ΡΠ΅Ρ ΠΎΠ΄ ΠΏΡΠΎΠ²ΠΎΠ΄ΠΎΠ² ΠΏΠΈΡΠ°Π½ΠΈΡ ΠΎΡ Π°Π²ΡΠΎΠΌΠ°ΡΠΈΡΠ΅ΡΠΊΠΎΠ³ΠΎ Π²ΡΠΊΠ»ΡΡΠ°ΡΠ΅Π»Ρ, Π·Π°ΠΊΡΠ΅ΠΏΠ»Π΅Π½Π½ΠΎΠ³ΠΎ Π½Π° ΡΡΠΎΠΉΠΊΠ΅ ΠΊ ΡΠ»Π΅ΠΊΡΡΠΎΠ΄Π²ΠΈΠ³Π°ΡΠ΅Π»Ρ ΠΈ ΡΠΌΠΎΠ½ΡΠΈΡΠΎΠ²Π°Π½Π½ΠΎΠ³ΠΎ Π½Π° ΡΠ°ΠΌΠ΅, ΠΆΠ΅Π»Π°ΡΠ΅Π»ΡΠ½ΠΎ ΠΎΡΡΡΠ΅ΡΡΠ²ΠΈΡΡ ΡΠ΅ΡΠ΅Π· Π½ΠΈΠΆΠ½ΠΈΠΉ ΠΊΡΠ°ΠΉ ΡΠ°ΠΌΡ. ΠΠΎ-Π²ΡΠΎΡΡΡ , Π½Π΅ ΡΠ»Π΅Π΄ΡΠ΅Ρ Π΄Π΅Π»Π°ΡΡ ΡΠ»ΠΈΡΠΊΠΎΠΌ ΠΊΠΎΡΠΎΡΠΊΡΡ ΡΠ°ΠΌΡ. Π’ΠΎΡΠΊΡ ΠΊΡΠ΅ΠΏΠ»Π΅Π½ΠΈΡ ΠΏΡΡΠΆΠΈΠ½Ρ ΠΆΠ΅Π»Π°ΡΠ΅Π»ΡΠ½ΠΎ Π²ΡΠ±ΡΠ°ΡΡ ΠΊΠ°ΠΊ ΠΌΠΎΠΆΠ½ΠΎ Π΄Π°Π»ΡΡΠ΅ ΠΎΡ Π΄Π²ΠΈΠ³Π°ΡΠ΅Π»Ρ, ΡΡΠΎ ΠΏΠΎΠ·Π²ΠΎΠ»ΡΠ΅Ρ ΡΠ²Π΅Π»ΠΈΡΠΈΡΡ Π°ΠΌΠΏΠ»ΠΈΡΡΠ΄Ρ ΠΊΠΎΠ»Π΅Π±Π°Π½ΠΈΠΉ. Π ΠΏΠΎΡΠ»Π΅Π΄Π½ΠΈΠΉ ΡΠΎΠ²Π΅Ρ: Π²ΠΎ ΠΈΠ·Π±Π΅ΠΆΠ°Π½ΠΈΠ΅ ΠΏΠΎΡΠ°ΠΆΠ΅Π½ΠΈΡ ΡΠ»Π΅ΠΊΡΡΠΎΡΠΎΠΊΠΎΠΌ Π²ΠΎ Π²ΡΠ΅ΠΌΡ ΡΠ°Π±ΠΎΡΡ Π½Π΅ΠΎΠ±Ρ ΠΎΠ΄ΠΈΠΌΠΎ Π·Π°Π·Π΅ΠΌΠ»ΡΡΡ ΠΊΠΎΡΠΏΡΡ Π΄Π²ΠΈΠ³Π°ΡΠ΅Π»Ρ ΠΈΠ»ΠΈ ΠΏΠΎΠ»ΡΠ·ΠΎΠ²Π°ΡΡΡΡ ΡΠ°Π·Π΄Π΅Π»ΠΈΡΠ΅Π»ΡΠ½ΡΠΌ ΡΡΠ°Π½ΡΡΠΎΡΠΌΠ°ΡΠΎΡΠΎΠΌ.
ΠΠ 07 1992 Π. Π¨Π΅ΡΡΡΠΎΠ±ΠΈΡΠΎΠ², Π³. ΠΠ΅ΡΠΌΡ
ΠΠ°ΠΊ ΡΠ΄Π΅Π»Π°ΡΡ Π²ΠΈΠ±ΡΠΎΡΠΈΡΠΎ (Π²ΠΈΠ±ΡΠΎΠ³ΡΠΎΡ ΠΎΡ) ΡΠ²ΠΎΠΈΠΌΠΈ ΡΡΠΊΠ°ΠΌΠΈ?
ΠΠ΄Π½ΠΈΠΌ ΠΈΠ· ΡΠΏΠΎΡΠΎΠ±ΠΎΠ² ΠΏΡΠ΅Π΄Π²Π°ΡΠΈΡΠ΅Π»ΡΠ½ΠΎΠΉ ΠΏΠΎΠ΄Π³ΠΎΡΠΎΠ²ΠΊΠΈ ΡΠ΅ΠΌΠ΅Π½ΡΠ°, ΠΏΠ΅ΡΠΊΠ° ΠΈ Π΄ΡΡΠ³ΠΈΡ ΡΡΠΏΡΡΠΈΡ ΡΠΎΡΡΠ°Π²Π»ΡΡΡΠΈΡ , ΠΈΡΠΏΠΎΠ»ΡΠ·ΡΡΡΠΈΡ ΡΡ Π΄Π»Ρ ΠΏΡΠΈΠ³ΠΎΡΠΎΠ²Π»Π΅Π½ΠΈΡ ΡΡΡΠΎΠΈΡΠ΅Π»ΡΠ½ΡΡ ΡΠ°ΡΡΠ²ΠΎΡΠΎΠ², ΡΠ²Π»ΡΠ΅ΡΡΡ ΠΈΡ ΠΏΡΠΎΡΠ΅ΠΈΠ²Π°Π½ΠΈΠ΅ ΡΠ΅ΡΠ΅Π· ΡΠΈΡΠΎ Ρ ΡΠ°Π·Π»ΠΈΡΠ½ΡΠΌΠΈ ΡΠ°Π·ΠΌΠ΅ΡΠ°ΠΌΠΈ ΡΡΠ΅Π΅ΠΊ.
ΠΠ»Ρ ΡΠΎΠ³ΠΎ, ΡΡΠΎΠ±Ρ ΠΌΠ΅Ρ Π°Π½ΠΈΠ·ΠΈΡΠΎΠ²Π°ΡΡ ΡΡΠΎΡ ΠΏΡΠΎΡΠ΅ΡΡ ΠΈ ΠΎΠ±Π»Π΅Π³ΡΠΈΡΡ ΡΠ°Π±ΠΎΡΡ, ΠΌΠΎΠΆΠ½ΠΎ ΠΈΠ·Π³ΠΎΡΠΎΠ²ΠΈΡΡ ΠΌΠ΅Ρ Π°Π½ΠΈΡΠ΅ΡΠΊΠΎΠ΅ ΡΡΡΡΠΎΠΉΡΡΠ²ΠΎ Ρ ΡΠ»Π΅ΠΊΡΡΠΎΠΏΡΠΈΠ²ΠΎΠ΄ΠΎΠΌ. ΠΠΎΠ΄ΠΎΠ±Π½ΡΠΉ ΠΌΠ΅Ρ Π°Π½ΠΈΠ·ΠΌ Π±ΡΠ΄Π΅Ρ ΠΎΡΠΎΠ±Π΅Π½Π½ΠΎ Π°ΠΊΡΡΠ°Π»Π΅Π½ Π² ΡΠ»ΡΡΠ°Π΅ Π½Π΅ΠΎΠ±Ρ ΠΎΠ΄ΠΈΠΌΠΎΡΡΠΈ ΠΏΡΠΈΠ³ΠΎΡΠΎΠ²Π»Π΅Π½ΠΈΡ Π±ΠΎΠ»ΡΡΠΎΠ³ΠΎ ΠΊΠΎΠ»ΠΈΡΠ΅ΡΡΠ²Π° ΡΡΡΠΎΠΈΡΠ΅Π»ΡΠ½ΡΡ ΡΠΌΠ΅ΡΠ΅ΠΉ ΠΈΠ· ΡΡΠΏΡΡΠΈΡ ΠΌΠ°ΡΠ΅ΡΠΈΠ°Π»ΠΎΠ².
Π’Π°ΠΊΠΎΠ΅ ΡΡΡΡΠΎΠΉΡΡΠ²ΠΎ Π½Π°Π·ΡΠ²Π°ΡΡ Π²ΠΈΠ±ΡΠΎΡΠΈΡΠΎΠΌ ΠΈΠ»ΠΈ Π²ΠΈΠ±ΡΠΎΠ³ΡΠΎΡ ΠΎΡΠΎΠΌ. ΠΠ½ΠΎ ΠΈΠΌΠ΅Π΅Ρ Π΄ΠΎΡΡΠ°ΡΠΎΡΠ½ΠΎ ΠΏΡΠΎΡΡΡΡ ΠΊΠΎΠ½ΡΡΡΡΠΊΡΠΈΡ, Π° ΠΏΠΎΡΠΎΠΌΡ Π²ΠΈΠ±ΡΠΎΡΠΈΡΠΎ ΡΠ²ΠΎΠΈΠΌΠΈ ΡΡΠΊΠ°ΠΌΠΈ ΡΠ΄Π΅Π»Π°ΡΡ ΡΠΎΠ²ΡΠ΅ΠΌ Π½Π΅ΡΠ»ΠΎΠΆΠ½ΠΎ.
ΠΠ±ΡΠ΅Π΅ ΡΡΡΡΠΎΠΉΡΡΠ²ΠΎ ΠΊΠΎΠ½ΡΡΡΡΠΊΡΠΈΠΈ
ΠΠ·Π³ΠΎΡΠΎΠ²Π»Π΅Π½ΠΈΠ΅ Π²ΠΈΠ±ΡΠΎΠ³ΡΠΎΡ ΠΎΡΠ° Π΄Π»Ρ ΠΏΠ΅ΡΠΊΠ° ΠΈΠ»ΠΈ ΡΠ΅Π±Π½Ρ Π½Π΅ ΠΏΠΎΡΡΠ΅Π±ΡΠ΅Ρ Π±ΠΎΠ»ΡΡΠΎΠ³ΠΎ ΠΊΠΎΠ»ΠΈΡΠ΅ΡΡΠ²Π° Π²ΡΠ΅ΠΌΠ΅Π½ΠΈ. ΠΠΏΠΈΡΠ°Π½ΠΈΠ΅ ΠΊΠΎΠ½ΡΡΡΡΠΊΡΠΈΠΈ Π²ΠΈΠ±ΡΠΎΡΠΈΡΠ° ΠΏΡΠ΅Π΄ΡΡΠΌΠ°ΡΡΠΈΠ²Π°Π΅Ρ Π½Π°Π»ΠΈΡΠΈΠ΅ ΡΠ»Π΅Π΄ΡΡΡΠΈΡ ΡΠ»Π΅ΠΌΠ΅Π½ΡΠΎΠ²:
Π’ΡΠ°Π½ΡΠΏΠΎΡΡΠΈΡΡΡΡΠΈΠΉ ΠΆΠ΅Π»ΠΎΠ± ΠΏΡΠΎΡΠ΅ Π²ΡΠ΅Π³ΠΎ ΠΈΠ·Π³ΠΎΡΠΎΠ²ΠΈΡΡ ΠΈΠ· ΡΠ°Π½Π΅ΡΡ, Π½ΠΎ ΠΌΠ΅ΡΠ°Π»Π»ΠΈΡΠ΅ΡΠΊΠ°Ρ ΠΊΠΎΠ½ΡΡΡΡΠΊΡΠΈΡ Π±ΡΠ΄Π΅Ρ Π½Π°ΠΌΠ½ΠΎΠ³ΠΎ Π½Π°Π΄Π΅ΠΆΠ½Π΅Π΅, ΠΎΡΠΎΠ±Π΅Π½Π½ΠΎ Π² ΡΠ»ΡΡΠ°Π΅ ΠΏΡΠΎΡΠ΅ΠΈΠ²Π°Π½ΠΈΡ Π³ΡΠ°Π²ΠΈΡ ΠΈΠ»ΠΈ Π΄ΡΡΠ³ΠΈΡ ΠΊΡΡΠΏΠ½ΠΎΠ·Π΅ΡΠ½ΠΈΡΡΡΡ ΠΌΠ°ΡΠ΅ΡΠΈΠ°Π»ΠΎΠ².
Π£ΡΡΡΠΎΠΉΡΡΠ²ΠΎ ΡΠ΅Π³ΡΠ»ΠΈΡΠΎΠ²ΠΊΠΈ ΡΠΊΠΎΡΠΎΡΡΠΈ Π²ΡΠ°ΡΠ΅Π½ΠΈΡ ΠΌΠΎΠΆΠ΅Ρ Π±ΡΡΡ ΡΠΆΠ΅ ΠΏΡΠ΅Π΄ΡΡΠΌΠΎΡΡΠ΅Π½ΠΎ Π² ΠΊΠΎΠ½ΡΡΡΡΠΊΡΠΈΠΈ ΡΠ»Π΅ΠΊΡΡΠΎΠ΄ΡΠ΅Π»ΠΈ ΠΈΠ»ΠΈ Π»ΠΎΠ±Π·ΠΈΠΊΠ°. Π ΡΡΠΎΠΌ ΡΠ»ΡΡΠ°Π΅ ΠΎΡΠ΄Π΅Π»ΡΠ½ΡΠΉ Π²Π½Π΅ΡΠ½ΠΈΠΉ ΡΠ΅Π³ΡΠ»ΡΡΠΎΡ Π½Π΅ ΠΏΠΎΠ½Π°Π΄ΠΎΠ±ΠΈΡΡΡ.
ΠΡΠΈΠ½ΡΠΈΠΏ ΡΠ°Π±ΠΎΡΡ Π²ΠΈΠ±ΡΠΎΡΠΈΡΠ° Π΄Π»Ρ ΡΡΠΏΡΡΠΈΡ ΠΌΠ°ΡΠ΅ΡΠΈΠ°Π»ΠΎΠ² Π·Π°ΠΊΠ»ΡΡΠ°Π΅ΡΡΡ Π² ΠΏΠ΅ΡΠ΅Π΄Π°ΡΠ΅ ΠΏΠΎΡΡΡΠΏΠ°ΡΠ΅Π»ΡΠ½ΡΡ Π΄Π²ΠΈΠΆΠ΅Π½ΠΈΠΉ ΠΎΡ ΡΠ»Π΅ΠΊΡΡΠΎΠΈΠ½ΡΡΡΡΠΌΠ΅Π½ΡΠ° Π½Π° ΡΠ°ΠΌΡ Ρ Π·Π°ΠΊΡΠ΅ΠΏΠ»Π΅Π½Π½ΡΠΌ ΡΠΈΡΠΎΠΌ. ΠΠΎΡΠ»Π΅ ΠΏΡΠΎΡΠ΅ΠΈΠ²Π°Π½ΠΈΡ ΠΌΠ°ΡΠ΅ΡΠΈΠ°Π»ΠΎΠ² Π²Π½ΡΡΡΠ΅Π½Π½ΡΡ Π΄Π΅ΡΠ΅Π²ΡΠ½Π½Π°Ρ ΡΠ°ΠΌΠ° Ρ ΡΠΈΡΠΎΠΌ ΠΏΠΎΠ΄Π½ΠΈΠΌΠ°Π΅ΡΡΡ ΠΈ Π½Π΅Π½ΡΠΆΠ½ΡΠΉ ΠΎΡΡΠ΅Π² ΡΠ±ΡΠ°ΡΡΠ²Π°Π΅ΡΡΡ.
ΠΠ΅ΠΎΠ±Ρ ΠΎΠ΄ΠΈΠΌΡΠ΅ ΠΌΠ°ΡΠ΅ΡΠΈΠ°Π»Ρ
ΠΠ»Ρ ΠΈΠ·Π³ΠΎΡΠΎΠ²Π»Π΅Π½ΠΈΡ ΡΠ°ΠΌΡ, Π΄Π²ΡΡ ΡΡΠΈΠΊΠΎΠ² ΠΈ Π΄ΡΡΠ³ΠΈΡ ΡΠ»Π΅ΠΌΠ΅Π½ΡΠΎΠ² ΠΌΠ΅Ρ Π°Π½ΠΈΠ·ΠΌΠ°, Π²Π°ΠΌ ΠΏΠΎΡΡΠ΅Π±ΡΡΡΡΡ:
Π‘Π»Π΅Π΄ΡΠ΅Ρ ΠΎΠ±ΡΠ°ΡΠΈΡΡ ΠΎΡΠΎΠ±ΠΎΠ΅ Π²Π½ΠΈΠΌΠ°Π½ΠΈΠ΅ Π½Π° ΠΏΡΠΎΡΠ½ΠΎΡΡΡ ΡΠΎΡΠ»ΡΠ½ΠΎΠΉ ΠΏΠ΅ΡΠ»ΠΈ, ΠΏΠΎΡΠΊΠΎΠ»ΡΠΊΡ ΠΏΡΠΈ ΠΎΡΠ±ΡΠ°ΡΡΠ²Π°Π½ΠΈΡ ΠΎΡΡΠ΅Π²Π° Π½Π° Π½Π΅Π΅ Π±ΡΠ΄ΡΡ ΠΏΡΠΈΡ ΠΎΠ΄ΠΈΡΡΡΡ Π·Π½Π°ΡΠΈΡΠ΅Π»ΡΠ½ΡΠ΅ ΠΌΠ΅Ρ Π°Π½ΠΈΡΠ΅ΡΠΊΠΈΠ΅ Π½Π°Π³ΡΡΠ·ΠΊΠΈ.
Π Π°Π·ΠΌΠ΅ΡΡ ΠΎΡΠ½ΠΎΠ²Π½ΡΡ ΠΊΠΎΠ½ΡΡΡΡΠΊΡΠΈΠ²Π½ΡΡ ΡΠ»Π΅ΠΌΠ΅Π½ΡΠΎΠ²
ΠΠ΅ΡΠ΅Π΄ Π½Π°ΡΠ°Π»ΠΎΠΌ ΡΠ±ΠΎΡΠΊΠΈ Π²ΠΈΠ±ΡΠΎΡΠΈΡΠ° Π΄Π»Ρ ΠΏΠ΅ΡΠΊΠ° ΡΠ΅ΠΊΠΎΠΌΠ΅Π½Π΄ΡΠ΅ΡΡΡ Π½Π°ΡΠ΅ΡΡΠΈΡΡ ΡΠ±ΠΎΡΠΎΡΠ½ΡΡ ΡΡ Π΅ΠΌΡ ΠΈΠ»ΠΈ ΠΏΡΠΎΡΡΠΎΠΉ ΡΠ±ΠΎΡΠΎΡΠ½ΡΠΉ ΡΠ΅ΡΡΠ΅ΠΆ. ΠΡΠΎ ΡΠΏΡΠΎΡΡΠΈΡ ΡΠ±ΠΎΡΠΎΡΠ½ΡΠ΅ ΡΠ°Π±ΠΎΡΡ ΠΈ ΠΏΠΎΠΌΠΎΠΆΠ΅Ρ ΠΎΠΏΡΠ΅Π΄Π΅Π»ΠΈΡΡ ΠΏΠΎΡΡΠ΄ΠΎΠΊ ΠΈΡ Π²ΡΠΏΠΎΠ»Π½Π΅Π½ΠΈΡ.
Π Π΅ΠΊΠΎΠΌΠ΅Π½Π΄ΡΠ΅ΠΌΡΠ΅ ΡΠ°Π·ΠΌΠ΅ΡΡ Π½Π΅ΡΡΡΠ΅ΠΉ ΡΠ°ΠΌΡ (ΠΎΡΠ½ΠΎΠ²Π°Π½ΠΈΡ):
ΠΠ»ΠΈΠ½Π° Π²Π½Π΅ΡΠ½Π΅Π³ΠΎ ΡΡΠΈΠΊΠ° Π±Π΅Π· Π΄Π½Π° Π΄ΠΎΠ»ΠΆΠ½Π° Π±ΡΡΡ ΡΠ°Π²Π½Π° ΠΏΠΎΠ»ΠΎΠ²ΠΈΠ½Π΅ Π΄Π»ΠΈΠ½Ρ Π½Π΅ΡΡΡΠ΅ΠΉ ΡΠ°ΠΌΡ. Π¨ΠΈΡΠΈΠ½Π° Π½Π° 100 ΠΌΠΌ ΠΌΠ΅Π½ΡΡΠ΅ ΡΠΈΡΠΈΠ½Ρ ΠΎΡΠ½ΠΎΠ²Π°Π½ΠΈΡ, Π³Π»ΡΠ±ΠΈΠ½Π° β Π½Π΅ ΠΌΠ΅Π½Π΅Π΅ 120 ΠΌΠΌ.
Π Π°Π·ΠΌΠ΅ΡΡ Π²Π½ΡΡΡΠ΅Π½Π½Π΅Π³ΠΎ ΡΡΠΈΠΊΠ° Ρ Π΄Π½ΠΎΠΌ ΠΈΠ· ΡΠ΅ΡΠΊΠΈ Π΄ΠΎΠ»ΠΆΠ½Ρ ΠΎΠ±Π΅ΡΠΏΠ΅ΡΠΈΡΡ Π΅Π³ΠΎ ΠΏΡΠΎΡΡΡΡ Π²ΡΠ΅ΠΌΠΊΡ ΠΈΠ· Π²Π½ΡΡΡΠ΅Π½Π½Π΅ΠΉ ΡΠ°ΠΌΡ Π΄Π»Ρ ΡΠ²ΠΎΠ±ΠΎΠ΄Π½ΠΎΠ³ΠΎ ΠΎΠΏΡΠΎΠΊΠΈΠ΄ΡΠ²Π°Π½ΠΈΡ ΠΈ ΠΎΡΠ²ΠΎΠ±ΠΎΠΆΠ΄Π΅Π½ΠΈΡ ΠΎΡ ΡΠΊΠΎΠΏΠΈΠ²ΡΠ΅Π³ΠΎΡΡ ΠΎΡΡΠ΅Π²Π°. ΠΠ½Π΅ΡΠ½ΠΈΠΉ ΠΈ Π²Π½ΡΡΡΠ΅Π½Π½ΠΈΠΉ ΡΡΠΈΠΊ ΡΠΎΠ΅Π΄ΠΈΠ½ΡΡΡΡΡ ΠΏΠΎ ΠΊΠΎΡΠΎΡΠΊΠΎΠΉ ΡΡΠΎΡΠΎΠ½Π΅ ΡΠΎΡΠ»ΡΠ½ΠΎΠΉ ΠΏΠ΅ΡΠ»Π΅ΠΉ, Π² ΡΠ΅Π·ΡΠ»ΡΡΠ°ΡΠ΅ ΡΠ΅Π³ΠΎ ΡΡΡΠ΅ΡΡΠ²ΡΠ΅Ρ Π²ΠΎΠ·ΠΌΠΎΠΆΠ½ΠΎΡΡΡ ΠΏΠΎΠ΄ΡΠ΅ΠΌΠ° ΠΈ ΠΎΠΏΡΠΎΠΊΠΈΠ΄ΡΠ²Π°Π½ΠΈΡ Π²Π½ΡΡΡΠ΅Π½Π½Π΅ΠΉ ΠΊΠΎΠ½ΡΡΡΡΠΊΡΠΈΠΈ.
ΠΠΎΡΡΠ΄ΠΎΠΊ ΡΠ±ΠΎΡΠΊΠΈ
ΠΠ·Π³ΠΎΡΠΎΠ²Π»Π΅Π½ΠΈΠ΅ Π²ΠΈΠ±ΡΠΎΡΠΈΡΠ° Π½Π°ΡΠΈΠ½Π°Π΅ΡΡΡ ΡΠΎ ΡΠ±ΠΎΡΠΊΠΈ Π½Π΅ΡΡΡΠ΅ΠΉ ΡΠ°ΠΌΡ ΠΈΠ· Π΄Π΅ΡΠ΅Π²ΡΠ½Π½ΡΡ Π±ΡΡΡΠΊΠΎΠ² Π² ΡΠΎΠΎΡΠ²Π΅ΡΡΡΠ²ΠΈΠΈ Ρ ΡΠ΅ΡΡΠ΅ΠΆΠΎΠΌ. ΠΠ»Ρ ΠΏΠΎΠ²ΡΡΠ΅Π½ΠΈΡ ΠΏΡΠΎΡΠ½ΠΎΡΡΠΈ ΠΊΠΎΠ½ΡΡΡΡΠΊΡΠΈΠΈ, ΡΠΎΠ΅Π΄ΠΈΠ½Π΅Π½ΠΈΡ Π΄Π΅ΡΠ΅Π²ΡΠ½Π½ΡΡ Π΄Π΅ΡΠ°Π»Π΅ΠΉ ΡΠ΅ΠΊΠΎΠΌΠ΅Π½Π΄ΡΠ΅ΡΡΡ ΡΠ΄Π΅Π»Π°ΡΡ Ρ ΡΠΊΡΠ΅ΠΏΠ»Π΅Π½ΠΈΠ΅ΠΌ ΠΌΠ΅ΡΠ°Π»Π»ΠΈΡΠ΅ΡΠΊΠΈΠΌΠΈ ΡΠ³ΠΎΠ»ΠΊΠ°ΠΌΠΈ ΠΈ ΠΏΠ»Π°ΡΡΠΈΠ½Π°ΠΌΠΈ.
ΠΠΎΡΠ»Π΅ ΡΡΠΎΠ³ΠΎ Ρ Π²Π½ΡΡΡΠ΅Π½Π½Π΅ΠΉ ΡΡΠΎΡΠΎΠ½Ρ ΡΠ°ΠΌΡ ΠΎΡΠ½ΠΎΠ²Π°Π½ΠΈΡ Π½Π΅ΠΎΠ±Ρ ΠΎΠ΄ΠΈΠΌΠΎ Π·Π°ΠΊΡΠ΅ΠΏΠΈΡΡ Π½Π°ΠΏΡΠ°Π²Π»ΡΡΡΠΈΠ΅ ΡΠ΅Π»ΡΡΡ Π² ΠΊΠ°ΡΠ΅ΡΡΠ²Π΅ ΠΎΠΏΠΎΡΡ Π΄Π»Ρ Π΄Π²ΠΈΠΆΠ΅Π½ΠΈΡ ΠΌΠ΅Π±Π΅Π»ΡΠ½ΡΡ ΡΠΎΠ»ΠΈΠΊΠΎΠ². ΠΠ°ΠΏΡΠ°Π²Π»ΡΡΡΠΈΠ΅ ΡΠ³ΠΎΠ»ΠΊΠΈ ΡΠΊΡΠ΅ΠΏΠ»ΡΡΡΡΡ ΠΌΠ΅ΠΆΠ΄Ρ ΡΠΎΠ±ΠΎΠΉ Π² Π΅Π΄ΠΈΠ½ΡΡ ΠΊΠΎΠ½ΡΡΡΡΠΊΡΠΈΡ ΠΏΡΠΈ ΠΏΠΎΠΌΠΎΡΠΈ ΠΏΠΎΠΏΠ΅ΡΠ΅ΡΠ½ΠΎ ΡΡΡΠ°Π½ΠΎΠ²Π»Π΅Π½Π½ΡΡ Π΄Π΅ΡΠ΅Π²ΡΠ½Π½ΡΡ Π±ΡΡΡΠΊΠΎΠ². ΠΠ»Ρ ΡΠ½ΠΈΠΆΠ΅Π½ΠΈΡ ΡΡΠΎΠ²Π½Ρ Π²ΠΈΠ±ΡΠ°ΡΠΈΠΈ Π²ΠΎ Π²ΡΠ΅ΠΌΡ ΡΠ°Π±ΠΎΡΡ ΠΌΠ΅ΠΆΠ΄Ρ ΡΠ³ΠΎΠ»ΠΊΠ°ΠΌΠΈ ΠΈ Π½Π°ΠΏΡΠ°Π²Π»ΡΡΡΠΈΠΌΠΈ Π½Π΅ΠΎΠ±Ρ ΠΎΠ΄ΠΈΠΌΠΎ ΡΡΡΠ°Π½ΠΎΠ²ΠΈΡΡ 6 ΠΈΠ»ΠΈ 8 ΡΠ΅Π·ΠΈΠ½ΠΎΠ²ΡΡ Π°ΠΌΠΎΡΡΠΈΠ·Π°ΡΠΎΡΠΎΠ².
ΠΠ»Ρ Π·Π°ΠΊΡΠ΅ΠΏΠ»Π΅Π½ΠΈΡ ΠΏΡΠΈΠ²ΠΎΠ΄Π° Π΄Π»Ρ Π²ΠΈΠ±ΡΠΎΡΠΈΡΠ° ΠΈΠ· ΡΠ»Π΅ΠΊΡΡΠΎΠ΄ΡΠ΅Π»ΠΈ, Π»ΠΎΠ±Π·ΠΈΠΊΠ° ΠΈΠ»ΠΈ ΠΏΠΈΠ»Ρ, Ρ ΠΎΠ΄Π½ΠΎΠΉ ΡΡΠΎΡΠΎΠ½Ρ Π²Π΅ΡΡ Π½Π΅ΠΉ ΡΠ°ΡΡΠΈ ΠΎΠΏΠΎΡΠ½ΠΎΠΉ ΡΠ°ΠΌΡ Π½Π΅ΠΎΠ±Ρ ΠΎΠ΄ΠΈΠΌΠΎ ΠΏΡΠ΅Π΄ΡΡΠΌΠΎΡΡΠ΅ΡΡ Π½Π°Π»ΠΈΡΠΈΠ΅ ΠΏΠ»ΠΎΡΠ°Π΄ΠΊΠΈ, ΡΠΎΠΎΡΠ²Π΅ΡΡΡΠ²ΡΡΡΠ΅ΠΉ ΡΠ°Π·ΠΌΠ΅ΡΠ°ΠΌ ΡΠ»Π΅ΠΊΡΡΠΎΠΈΠ½ΡΡΡΡΠΌΠ΅Π½ΡΠ°.
ΠΠΎΡΠ»Π΅ ΡΠ±ΠΎΡΠΊΠΈ ΠΎΠΏΠΎΡΠ½ΠΎΠΉ ΡΠ°ΠΌΡ ΠΈΠ·Π³ΠΎΡΠ°Π²Π»ΠΈΠ²Π°Π΅ΡΡΡ ΠΈ ΡΡΡΠ°Π½Π°Π²Π»ΠΈΠ²Π°Π΅ΡΡΡ ΠΆΠ΅Π»ΠΎΠ± ΠΈΠ· ΡΠ°Π½Π΅ΡΡ. ΠΠ±ΡΠ°Π±ΠΎΡΠ°Π½Π½ΡΠΉ ΠΌΠ°ΡΠ΅ΡΠΈΠ°Π» Π±ΡΠ΄Π΅Ρ ΠΏΠΎ Π½Π΅ΠΌΡ ΠΏΠΎΡΡΡΠΏΠ°ΡΡ Π² Π΅ΠΌΠΊΠΎΡΡΡ Π΄Π»Ρ ΡΠ±ΠΎΡΠ°. ΠΠ΅Π»ΠΎΠ± ΠΈΠ· ΠΌΠ΅ΡΠ°Π»Π»Π° ΠΈΠ·Π³ΠΎΡΠΎΠ²ΠΈΡΡ ΡΠ»ΠΎΠΆΠ½Π΅Π΅, Π½ΠΎ ΠΎΠ½ ΠΎΠ±Π΅ΡΠΏΠ΅ΡΠΈΡ Π±ΠΎΠ»Π΅Π΅ Π΄Π»ΠΈΡΠ΅Π»ΡΠ½ΡΠΉ ΡΡΠΎΠΊ ΡΠΊΡΠΏΠ»ΡΠ°ΡΠ°ΡΠΈΠΈ.
ΠΠ° ΡΠ»Π΅Π΄ΡΡΡΠ΅ΠΌ ΡΡΠ°ΠΏΠ΅ ΡΠΎΠ±ΠΈΡΠ°Π΅ΡΡΡ ΠΏΡΠΎΡΠ΅ΠΈΠ²Π°ΡΡΠ°Ρ ΠΊΠΎΠ½ΡΡΡΡΠΊΡΠΈΡ ΠΈΠ· Π΄Π²ΡΡ ΡΡΠΈΠΊΠΎΠ², ΠΎΠ΄ΠΈΠ½ ΠΈΠ· ΠΊΠΎΡΠΎΡΡΡ Ρ ΡΠΈΡΠΎΠΌ Π²Π»ΠΎΠΆΠ΅Π½ Π²ΠΎ Π²ΡΠΎΡΠΎΠΉ.
ΠΠΎ ΠΎΠ΄Π½ΠΎΠΉ ΠΊΠΎΡΠΎΡΠΊΠΎΠΉ ΡΡΠΎΡΠΎΠ½Π΅ ΡΡΠΈΠΊΠΈ ΡΠΊΡΠ΅ΠΏΠ»Π΅Π½Ρ ΠΌΠ΅ΠΆΠ΄Ρ ΡΠΎΠ±ΠΎΠΉ ΠΏΡΠΈ ΠΏΠΎΠΌΠΎΡΠΈ ΡΠΎΡΠ»ΡΠ½ΠΎΠΉ ΠΏΠ΅ΡΠ»ΠΈ.
Π‘Π½ΠΈΠ·Ρ Π²Π½Π΅ΡΠ½Π΅Π³ΠΎ ΡΡΠΈΠΊΠ° Π±Π΅Π· Π΄Π½Π° (ΡΠ°ΠΌΠΊΠΈ) Π·Π°ΠΊΡΠ΅ΠΏΠ»ΡΡΡΡΡ ΠΌΠ΅Π±Π΅Π»ΡΠ½ΡΠ΅ ΡΠΎΠ»ΠΈΠΊΠΈ, ΠΊΠΎΡΠΎΡΡΠ΅ ΠΎΠ±Π΅ΡΠΏΠ΅ΡΠΈΠ²Π°ΡΡ Π»Π΅Π³ΠΊΠΎΡΡΡ ΠΏΠ΅ΡΠ΅Π΄Π²ΠΈΠΆΠ΅Π½ΠΈΡ ΡΡΠΈΠΊΠΎΠ² ΠΏΠΎ ΡΠ΅Π»ΡΡΠ°ΠΌ Π½Π° Π½Π΅ΡΡΡΠ΅ΠΉ ΠΎΠΏΠΎΡΠ΅.
Π Π°Π·ΠΌΠ΅Ρ ΡΡΠ΅Π΅ΠΊ ΠΌΠ΅ΡΠ°Π»Π»ΠΈΡΠ΅ΡΠΊΠΎΠΉ ΡΠ΅ΡΠΊΠΈ ΠΎΠΏΡΠ΅Π΄Π΅Π»ΡΠ΅ΡΡΡ ΡΡΠ°ΠΊΡΠΈΠ΅ΠΉ ΡΡΠΏΡΡΠ΅Π³ΠΎ ΠΌΠ°ΡΠ΅ΡΠΈΠ°Π»Π°, ΠΊΠΎΡΠΎΡΡΠΉ Π±ΡΠ΄Π΅Ρ ΠΏΡΠΎΡΠ΅ΠΈΠ²Π°ΡΡΡΡ. ΠΠ°ΠΊΡΠ΅ΠΏΠ»Π΅Π½ΠΈΠ΅ ΡΠ΅ΡΠΊΠΈ Π½Π° ΡΠ°ΠΌΠ΅ Π»ΡΡΡΠ΅ Π²ΡΠ΅Π³ΠΎ Π²ΡΠΏΠΎΠ»Π½ΠΈΡΡ ΠΏΡΠΈ ΠΏΠΎΠΌΠΎΡΠΈ ΠΌΠ΅ΡΠ°Π»Π»ΠΈΡΠ΅ΡΠΊΠΎΠΉ Π»Π΅Π½ΡΡ ΠΈ ΡΠ°ΠΌΠΎΡΠ΅Π·ΠΎΠ².
Π Π°Π±ΠΎΡΠΈΠΉ ΠΎΡΠ³Π°Π½ ΡΠ»Π΅ΠΊΡΡΠΎΠΈΠ½ΡΡΡΡΠΌΠ΅Π½ΡΠ° ΡΠΎΠ΅Π΄ΠΈΠ½ΡΠ΅ΡΡΡ Ρ Π²Π½Π΅ΡΠ½ΠΈΠΌ ΠΏΠΎΠ΄Π²ΠΈΠΆΠ½ΡΠΌ ΡΡΠΈΠΊΠΎΠΌ ΠΏΡΠΈ ΠΏΠΎΠΌΠΎΡΠΈ ΠΏΡΡΠΆΠΈΠ½Π½ΠΎΠ³ΠΎ ΡΠΎΠ΅Π΄ΠΈΠ½Π΅Π½ΠΈΡ, ΠΊΠΎΡΠΎΡΠΎΠ΅ ΠΎΠ±Π΅ΡΠΏΠ΅ΡΠΈΡ Π±ΠΎΠ»Π΅Π΅ ΠΏΠ»Π°Π²Π½ΡΠ΅ ΠΊΠΎΠ»Π΅Π±Π°Π½ΠΈΡ ΠΏΡΠΈ ΡΠ°Π±ΠΎΡΠ΅ ΠΌΠ΅Ρ Π°Π½ΠΈΠ·ΠΌΠ°. ΠΠΎΡΡΡΠΏΠ°ΡΠ΅Π»ΡΠ½ΡΠ΅ Π΄Π²ΠΈΠΆΠ΅Π½ΠΈΡ ΠΎΡ ΡΠ»Π΅ΠΊΡΡΠΎΠΏΡΠΈΠ²ΠΎΠ΄Π° ΠΏΠ΅ΡΠ΅Π΄Π°ΡΡΡΡ ΡΡΠΈΠΊΠ°ΠΌ, ΠΈ Π² ΡΠ΅Π·ΡΠ»ΡΡΠ°ΡΠ΅ ΠΈΡ ΠΊΠΎΠ»Π΅Π±Π°Π½ΠΈΠΉ ΠΏΠΎ Π½Π°ΠΏΡΠ°Π²Π»ΡΡΡΠΈΠΌ ΠΏΡΠΎΠΈΡΡ ΠΎΠ΄ΠΈΡ ΠΏΡΠΎΡΠ΅ΠΈΠ²Π°Π½ΠΈΠ΅ ΠΌΠ°ΡΠ΅ΡΠΈΠ°Π»Π°, Π½Π°ΡΡΠΏΠ°Π½Π½ΠΎΠ³ΠΎ Π²ΠΎ Π²Π½ΡΡΡΠ΅Π½Π½ΠΈΠΉ ΡΡΠΈΠΊ Ρ ΡΠ΅ΡΠΊΠΎΠΉ.
ΠΠΎΡΡΠ΅Π±Π»ΡΠ΅ΠΌΠ°Ρ ΡΠ»Π΅ΠΊΡΡΠΈΡΠ΅ΡΠΊΠ°Ρ ΠΌΠΎΡΠ½ΠΎΡΡΡ ΠΌΠ΅Ρ Π°Π½ΠΈΠ·ΠΌΠ° Π·Π°Π²ΠΈΡΠΈΡ ΠΎΡ ΠΌΠΎΡΠ½ΠΎΡΡΠΈ ΡΡΡΠ°Π½ΠΎΠ²Π»Π΅Π½Π½ΠΎΠ³ΠΎ ΡΠ»Π΅ΠΊΡΡΠΎΠΈΠ½ΡΡΡΡΠΌΠ΅Π½ΡΠ°. ΠΡΠΈ ΡΡΠΎΠΌ ΡΠ»Π΅Π΄ΡΠ΅Ρ Π·Π°ΠΌΠ΅ΡΠΈΡΡ, ΡΡΠΎ ΡΠ΅ΠΌ ΠΌΠΎΡΠ½Π΅Π΅ ΡΠ»Π΅ΠΊΡΡΠΎΠΏΠΈΠ»Π°, ΡΠ΅ΠΌ ΠΌΠΎΠΆΠ½ΠΎ ΡΠ΄Π΅Π»Π°ΡΡ Π±ΠΎΠ»ΡΡΠΈΠΌΠΈ Π³Π°Π±Π°ΡΠΈΡΡ Π²ΠΈΠ±ΡΠΎΡΠΈΡΠ° ΠΈ ΠΎΠ±ΡΠ°Π±Π°ΡΡΠ²Π°ΡΡ Π·Π° ΡΡΠ΅Ρ ΡΡΠΎΠ³ΠΎ Π±ΠΎΠ»ΡΡΠΈΠ΅ ΠΎΠ±ΡΠ΅ΠΌΡ.
ΠΡΠ»ΠΈ ΠΏΡΠΈΠΌΠ΅Π½ΠΈΡΡ ΡΠΊΡΡΠ΅Π½ΡΡΠΈΠΊ, ΡΠΎ Π² ΠΊΠ°ΡΠ΅ΡΡΠ²Π΅ ΡΠΈΠ»ΠΎΠ²ΠΎΠ³ΠΎ Π°Π³ΡΠ΅Π³Π°ΡΠ° ΠΌΠΎΠΆΠ½ΠΎ ΠΈΡΠΏΠΎΠ»ΡΠ·ΠΎΠ²Π°ΡΡ ΡΠ»Π΅ΠΊΡΡΠΎΠ΄ΡΠ΅Π»Ρ. Π ΡΡΠΎΠΌ ΡΠ»ΡΡΠ°Π΅ ΠΈΠ½ΡΡΡΡΠΌΠ΅Π½Ρ ΡΡΡΠ°Π½Π°Π²Π»ΠΈΠ²Π°Π΅ΡΡΡ Π±ΠΎΠΊΠΎΠΌ ΠΊ ΡΡΠΈΠΊΠ°ΠΌ ΠΈ ΠΏΡΠΈΠ²ΠΎΠ΄Π½ΠΎΠΉ ΠΌΠ΅Ρ Π°Π½ΠΈΠ·ΠΌ Π±ΡΠ΄Π΅Ρ ΡΠΎΠ²Π΅ΡΡΠ°ΡΡ ΠΊΠΎΠ»Π΅Π±Π°ΡΠ΅Π»ΡΠ½ΡΠ΅ Π΄Π²ΠΈΠΆΠ΅Π½ΠΈΡ.
ΠΠ»ΠΎΠΊ ΡΠ΅Π³ΡΠ»ΠΈΡΠΎΠ²Π°Π½ΠΈΡ ΡΠΊΠΎΡΠΎΡΡΠΈ ΠΊΠΎΠ»Π΅Π±Π°Π½ΠΈΠΉ
ΠΠ·Π³ΠΎΡΠΎΠ²ΠΈΡΠ΅Π»ΠΈ ΡΠ»Π΅ΠΊΡΡΠΎΠΈΠ½ΡΡΡΡΠΌΠ΅Π½ΡΠ° ΠΏΡΠΎΠΈΠ·Π²ΠΎΠ΄ΡΡ ΠΌΠΎΠ΄Π΅Π»ΠΈ Ρ Π²ΠΎΠ·ΠΌΠΎΠΆΠ½ΠΎΡΡΡΡ ΡΠ΅Π³ΡΠ»ΠΈΡΠΎΠ²ΠΊΠΈ ΡΠΊΠΎΡΠΎΡΡΠΈ Π²ΡΠ°ΡΠ΅Π½ΠΈΡ Π΄Π²ΠΈΠ³Π°ΡΠ΅Π»Ρ ΠΈΠ»ΠΈ Π±Π΅Π· ΡΠ°ΠΊΠΎΠΉ ΡΡΠ½ΠΊΡΠΈΠΈ. ΠΠΎ Π²ΡΠΎΡΠΎΠΌ ΡΠ»ΡΡΠ°Π΅ ΠΊΠΎΠ»Π΅Π±Π°Π½ΠΈΡ ΡΠ»Π΅ΠΊΡΡΠΎΠΏΠΈΠ»Ρ ΠΌΠΎΠ³ΡΡ ΠΎΠΊΠ°Π·Π°ΡΡΡΡ ΡΠ»ΠΈΡΠΊΠΎΠΌ ΡΠ°ΡΡΡΠΌΠΈ, ΠΈ ΠΏΠΎΡΡΠ΅Π±ΡΠ΅ΡΡΡ Π΄ΠΎΠΏΠΎΠ»Π½ΠΈΡΠ΅Π»ΡΠ½ΠΎΠ΅ Π²Π½Π΅ΡΠ½Π΅Π΅ ΡΡΡΡΠΎΠΉΡΡΠ²ΠΎ Π΄Π»Ρ ΡΠ΅Π³ΡΠ»ΠΈΡΠΎΠ²ΠΊΠΈ.
Π Π΅Π³ΡΠ»ΡΡΠΎΡ ΡΠ΅ΠΎΡΡΠ°ΡΠ½ΠΎΠ³ΠΎ ΡΠΈΠΏΠ° ΠΌΠΎΠΆΠ½ΠΎ ΠΏΡΠΈΠΎΠ±ΡΠ΅ΡΡΠΈ Π² ΠΌΠ°Π³Π°Π·ΠΈΠ½Π°Ρ ΡΠ»Π΅ΠΊΡΡΠΎΡΠΎΠ²Π°ΡΠΎΠ². ΠΠ΄Π½ΠΎΠ²ΡΠ΅ΠΌΠ΅Π½Π½ΠΎ Ρ Π½ΠΈΠΌ ΡΠ΅ΠΊΠΎΠΌΠ΅Π½Π΄ΡΠ΅ΡΡΡ ΠΊΡΠΏΠΈΡΡ Π°Π²ΡΠΎΠΌΠ°ΡΠΈΡΠ΅ΡΠΊΠΈΠΉ Π²ΡΠΊΠ»ΡΡΠ°ΡΠ΅Π»Ρ, ΠΊΠΎΡΠΎΡΡΠΉ ΠΎΠ±Π΅ΡΠΏΠ΅ΡΠΈΡ Π΄ΠΎΠΏΠΎΠ»Π½ΠΈΡΠ΅Π»ΡΠ½ΡΡ Π·Π°ΡΠΈΡΡ ΠΈΠ½ΡΡΡΡΠΌΠ΅Π½ΡΠ° ΠΈ Π΅Π³ΠΎ ΠΏΡΠΎΠ΄ΠΎΠ»ΠΆΠΈΡΠ΅Π»ΡΠ½ΡΡ ΡΠΊΡΠΏΠ»ΡΠ°ΡΠ°ΡΠΈΡ.
Π ΡΠ΅Π·ΡΠ»ΡΡΠ°ΡΠ΅ Π²Ρ ΡΠΌΠΎΠΆΠ΅ΡΠ΅ ΠΎΠ±Π΅ΡΠΏΠ΅ΡΠΈΡΡ Π»ΡΠ±ΡΡ Π½Π΅ΠΎΠ±Ρ ΠΎΠ΄ΠΈΠΌΡΡ ΡΠ°ΡΡΠΎΡΡ ΠΊΠΎΠ»Π΅Π±Π°Π½ΠΈΠΉ ΡΠ°Π±ΠΎΡΠΈΡ ΡΡΠΈΠΊΠΎΠ² Π²ΠΈΠ±ΡΠ°ΡΠΈΠΎΠ½Π½ΠΎΠ³ΠΎ Π³ΡΠΎΡ ΠΎΡΠ° Π² Π·Π°Π²ΠΈΡΠΈΠΌΠΎΡΡΠΈ ΠΎΡ ΠΈΡ Π·Π°Π³ΡΡΠ·ΠΊΠΈ ΠΈ Π²Π΅ΡΠ° ΠΎΠ±ΡΠ°Π±Π°ΡΡΠ²Π°Π΅ΠΌΠΎΠ³ΠΎ ΠΌΠ°ΡΠ΅ΡΠΈΠ°Π»Π°, Π½Π΅ ΠΏΠ΅ΡΠ΅Π³ΡΡΠΆΠ°Ρ ΡΠ»Π΅ΠΊΡΡΠΎΠΏΡΠΈΠ²ΠΎΠ΄.
ΠΠ°ΡΠΈΡΠ° ΡΠ»Π΅ΠΊΡΡΠΎΠΏΡΠΈΠ²ΠΎΠ΄Π° ΠΎΡ ΠΏΡΠ»ΠΈ
ΠΠΎ Π²ΡΠ΅ΠΌΡ ΡΠ°Π±ΠΎΡΡ, ΠΎΡΠΎΠ±Π΅Π½Π½ΠΎ Ρ ΡΠ°ΠΊΠΈΠΌ ΠΌΠ°ΡΠ΅ΡΠΈΠ°Π»ΠΎΠΌ ΠΊΠ°ΠΊ ΡΠ΅ΠΌΠ΅Π½Ρ ΠΈ ΡΡΡ ΠΎΠΉ ΠΊΠ»Π΅ΠΉ, ΠΎΠ±ΡΠ°Π·ΡΠ΅ΡΡΡ ΠΏΡΠ»Ρ, ΠΏΠΎΠΏΠ°Π΄Π°ΡΡΠ°Ρ Π½Π° ΡΠ»Π΅ΠΊΡΡΠΎΠΏΡΠΈΠ²ΠΎΠ΄. ΠΠΎΡΡΠΎΠΌΡ ΡΡΡΠ°Π½ΠΎΠ²Π»Π΅Π½Π½ΡΠΉ ΡΠ»Π΅ΠΊΡΡΠΎΠ΄Π²ΠΈΠ³Π°ΡΠ΅Π»Ρ ΡΠ΅ΠΊΠΎΠΌΠ΅Π½Π΄ΡΠ΅ΡΡΡ Π½Π°ΠΊΡΡΡΡ Π·Π°ΡΠΈΡΠ½ΡΠΌ ΠΊΠΎΠΆΡΡ ΠΎΠΌ, ΠΊΠΎΠ½ΡΡΡΡΠΊΡΠΈΡ ΠΊΠΎΡΠΎΡΠΎΠ³ΠΎ Π½Π΅ Π΄ΠΎΠ»ΠΆΠ½Π° ΠΏΠ΅ΡΠ΅ΠΊΡΡΠ²Π°ΡΡ Π²Π΅Π½ΡΠΈΠ»ΡΡΠΈΠΎΠ½Π½ΡΡ ΠΎΡΠ²Π΅ΡΡΡΠΈΠΉ ΠΈΠ½ΡΡΡΡΠΌΠ΅Π½ΡΠ°. Π’Π°ΠΊΠΎΠΉ ΠΊΠΎΠΆΡΡ ΠΌΠΎΠΆΠ½ΠΎ ΠΈΠ·Π³ΠΎΡΠΎΠ²ΠΈΡΡ ΠΈΠ· 2-Π»ΠΈΡΡΠΎΠ²ΠΎΠΉ ΠΏΠ»Π°ΡΡΠΈΠΊΠΎΠ²ΠΎΠΉ Π±ΡΡΡΠ»ΠΊΠΈ.
ΠΠΎΡΠΎΠ²ΠΎΠ΅ ΡΠΎΠ±ΡΠ°Π½Π½ΠΎΠ΅ Π²ΠΈΠ±ΡΠΎΡΠΈΡΠΎ ΠΈ Π΅Π³ΠΎ ΡΠ°Π±ΠΎΡΡ ΠΌΠΎΠΆΠ½ΠΎ ΡΠ²ΠΈΠ΄Π΅ΡΡ ΠΏΡΠΈ ΠΏΡΠΈΠ²Π΅Π΄Π΅Π½Π½ΠΎΠΌ Π½ΠΈΠΆΠ΅ Π²ΠΈΠ΄Π΅ΠΎ.
ΠΠ°ΠΊ ΡΠ΄Π΅Π»Π°ΡΡ ΡΠ°ΠΌΠΎΠ΄Π΅Π»ΡΠ½ΡΡ Π³ΡΠΎΡ ΠΎΡΠ½ΡΡ ΠΊΠ°ΡΡΠΎΡΠ΅Π»Π΅ΠΊΠΎΠΏΠ°Π»ΠΊΡ Π΄Π»Ρ ΠΌΠΎΡΠΎΠ±Π»ΠΎΠΊΠ°
Π§Π΅ΡΡΠ΅ΠΆΠΈ Π³ΡΠΎΡ ΠΎΡΠ½ΠΎΠΉ ΠΊΠ°ΡΡΠΎΡΠ΅Π»Π΅ΠΊΠΎΠΏΠ°Π»ΠΊΠΈ Π΄Π»Ρ ΠΌΠΎΡΠΎΠ±Π»ΠΎΠΊΠ° Π΄Π°ΡΡ ΡΠΎΡΠ½ΠΎΠ΅ ΠΏΡΠ΅Π΄ΡΡΠ°Π²Π»Π΅Π½ΠΈΠ΅ ΠΎΠ± ΠΎΡΠ½ΠΎΠ²Π½ΡΡ ΡΠ»Π΅ΠΌΠ΅Π½ΡΠ°Ρ ΠΈ ΡΠ°Π·ΠΌΠ΅ΡΠ°Ρ ΡΡΡΡΠΎΠΉΡΡΠ²Π°. ΠΠΎΠ½ΡΡΡΡΠΊΡΠΈΡ ΠΏΠΎΠ·Π²ΠΎΠ»ΡΠ΅Ρ Π±Π΅Π· ΠΎΡΠΎΠ±ΠΎΠ³ΠΎ ΡΡΡΠ΄Π° Π²ΡΠΊΠ°ΠΏΡΠ²Π°ΡΡ ΠΊΠ»ΡΠ±Π½ΠΈ, ΠΎΡΠΈΡΠ°ΡΡ ΠΈΡ ΠΎΡ Π·Π΅ΠΌΠ»ΠΈ ΠΈ ΠΎΡΠΊΠΈΠ΄ΡΠ²Π°ΡΡ Π² ΠΎΠ΄Π½Ρ ΠΏΠΎΠ»ΠΎΡΡ. ΠΡΠΎΡΠ΅ΡΡ ΠΊΠΎΠΏΠΊΠΈ ΡΡΠ°Π½ΠΎΠ²ΠΈΡΡΡ ΠΌΠ΅Ρ Π°Π½ΠΈΠ·ΠΈΡΠΎΠ²Π°Π½Π½ΡΠΌ, Π±Π»Π°Π³ΠΎΠ΄Π°ΡΡ ΡΠ΅ΠΌΡ ΠΌΠΎΠΆΠ½ΠΎ ΡΠΊΠΎΠ½ΠΎΠΌΠΈΡΡ Π²ΡΠ΅ΠΌΡ ΠΈ ΡΠΈΠ·ΠΈΡΠ΅ΡΠΊΠΈΠ΅ ΡΠΈΠ»Ρ.
Π£ΡΡΡΠΎΠΉΡΡΠ²ΠΎ Π³ΡΠΎΡ ΠΎΡΠ½ΠΎΠΉ ΠΊΠ°ΡΡΠΎΡΠ΅Π»Π΅ΠΊΠΎΠΏΠ°Π»ΠΊΠΈ
ΠΠΈΠ±ΡΠ°ΡΠΈΠΎΠ½Π½ΠΎ-Π³ΡΠΎΡ ΠΎΡΠ½Π°Ρ ΠΊΠ°ΡΡΠΎΡΠ΅Π»Π΅ΠΊΠΎΠΏΠ°Π»ΠΊΠ° ΠΏΡΠ΅Π΄ΡΡΠ°Π²Π»ΡΠ΅Ρ ΡΠΎΠ±ΠΎΠΉ ΡΠΏΠ΅ΡΠΈΠ°Π»ΡΠ½ΡΠΉ ΡΠ°ΠΌΠΎΡ ΠΎΠ΄Π½ΡΠΉ Π°ΠΏΠΏΠ°ΡΠ°Ρ, ΠΊΠΎΡΠΎΡΡΠΉ Π²ΡΠΊΠ°ΠΏΡΠ²Π°Π΅Ρ ΠΊΠ»ΡΠ±Π½ΠΈ ΠΊΠ°ΡΡΠΎΡΠ΅Π»Ρ ΠΈ ΠΎΡΠΊΠΈΠ΄ΡΠ²Π°Π΅Ρ ΠΈΡ Π²Π±ΠΎΠΊ ΠΎΡ Π±ΠΎΡΠΎΠ½Ρ. ΠΠΎΡΠ»Π΅ ΠΏΡΠΎΡ ΠΎΠΆΠ΄Π΅Π½ΠΈΡ ΠΏΠΎΠ»Ρ ΠΊΠΎΡΠ½Π΅ΠΏΠ»ΠΎΠ΄Ρ Π»Π΅ΠΆΠ°Ρ Π² ΠΎΠ΄ΠΈΠ½ ΡΡΠ΄, ΡΡΠΎ ΠΎΠ±Π»Π΅Π³ΡΠ°Π΅Ρ ΠΈΡ ΡΠ±ΠΎΡ ΠΈ ΠΏΠΎΠ·Π²ΠΎΠ»ΡΠ΅Ρ ΠΈΠ·Π±Π΅ΠΆΠ°ΡΡ ΡΡΠΆΠ΅Π»ΠΎΠΉ ΡΡΡΠ½ΠΎΠΉ ΠΊΠΎΠΏΠΊΠΈ. ΠΠ°ΡΡΠ΄Ρ Ρ ΠΊΠ°ΡΡΠΎΡΠ΅Π»Π΅ΠΌ Ρ ΠΏΠΎΠΌΠΎΡΡΡ ΡΠ°ΠΊΠΎΠ³ΠΎ ΡΡΡΡΠΎΠΉΡΡΠ²Π° ΠΌΠΎΠΆΠ½ΠΎ ΡΠΎΠ±ΠΈΡΠ°ΡΡ Π»ΡΠΊ, ΡΠ²Π΅ΠΊΠ»Ρ, ΡΠ΅ΡΠ½ΠΎΠΊ.
ΠΠΏΠΏΠ°ΡΠ°Ρ ΠΏΡΠ΅Π΄ΡΡΠ°Π²Π»ΡΠ΅Ρ ΡΠΎΠ±ΠΎΠΉ ΠΊΠ°ΡΠ΅ΡΠΊΡ, ΠΊΠΎΡΠΎΡΠ°Ρ ΠΏΠ΅ΡΠ΅Π΄Π²ΠΈΠ³Π°Π΅ΡΡΡ Π½Π° Π΄Π²ΡΡ Π½Π΅Π±ΠΎΠ»ΡΡΠΈΡ ΠΊΠΎΠ»Π΅ΡΠ°Ρ . Π Π΅Π΅ ΠΎΡΠ½ΠΎΠ²Π΅ Π»Π΅ΠΆΠΈΡ ΠΊΠΎΡΠΏΡΡ, ΠΊΠΎΡΠΎΡΡΠΉ ΡΠ²Π°ΡΠΈΠ²Π°ΡΡ ΠΈΠ· ΠΏΡΡΡΠΈΠΊΠΎΠ² Ρ ΠΈΠ½ΡΠ΅ΡΠ²Π°Π»ΠΎΠΌ 2β3 ΡΠΌ. ΠΠ»Π°Π³ΠΎΠ΄Π°ΡΡ ΡΡΠΎΠΌΡ ΠΊΠ»ΡΠ±Π½ΠΈ ΡΡΠ°Π·Ρ ΠΎΡΠΈΡΠ°ΡΡΡΡ ΠΎΡ Π±ΠΎΡΠ²Ρ ΠΈ Π·Π½Π°ΡΠΈΡΠ΅Π»ΡΠ½ΠΎΠΉ ΡΠ°ΡΡΠΈ Π·Π΅ΠΌΠ»ΠΈ.
Π ΠΏΠ΅ΡΠ΅Π΄Π½Π΅ΠΉ ΡΠ°ΡΡΠΈ Π½Π° ΠΎΡΡ ΠΌΠΎΠ½ΡΠΈΡΡΡΡ Π»ΠΎΠΏΠ°ΡΡ ΡΠΎΠΉ ΠΆΠ΅ ΡΠΎΡΠΌΡ, ΠΊΠ°ΠΊ ΠΈ ΠΊΠΎΡΠΏΡΡ. ΠΠ΅ Π΄Π΅Π»Π°ΡΡ ΠΈΠ· ΡΠΎΠ½ΠΊΠΎΠ³ΠΎ Π»ΠΈΡΡΠ° ΡΡΠ°Π»ΠΈ, ΠΏΡΠΈΠ²Π°ΡΠΈΠ²Π°Ρ Π² Π·Π°Π΄Π½Π΅ΠΉ ΡΠ°ΡΡΠΈ Π½Π΅Π±ΠΎΠ»ΡΡΠΈΠ΅ ΠΏΡΡΡΠΈΠΊΠΈ ΠΈ Π·Π°Π³ΠΈΠ±Π°Ρ ΠΈΡ Π²Π½ΠΈΠ·. Π‘Π΄Π΅Π»Π°ΡΡ ΡΡΠΎ Π½ΡΠΆΠ½ΠΎ Π΄Π»Ρ ΡΠΎΠ³ΠΎ, ΡΡΠΎΠ±Ρ ΠΈΠ·ΠΎΠ³Π½ΡΡΡΠ΅ ΡΠ»Π΅ΠΌΠ΅Π½ΡΡ ΡΠ΅ΠΏΠ»ΡΠ»ΠΈΡΡ Π·Π° ΠΏΡΠΎΠ²ΠΎΠ»ΠΎΠΊΡ, ΡΡΠΎ ΠΏΡΠ΅Π΄ΠΎΡΠ²ΡΠ°ΡΠΈΡ ΡΠ»ΡΡΠ°ΠΉΠ½ΠΎΠ΅ Π²ΡΠΏΠ°Π΄Π΅Π½ΠΈΠ΅ ΠΏΡΡΡΠΈΠΊΠΎΠ².
ΠΠΎΠΏΠ°ΡΡ Π½Π° ΠΎΡΡ ΠΊΠ°ΡΡΠΎΡΠ΅Π»Π΅ΠΊΠΎΠΏΠ°Π»ΠΊΠΈ ΡΡΡΠ°Π½Π°Π²Π»ΠΈΠ²Π°ΡΡ ΡΠ°ΠΊΠΈΠΌ ΠΎΠ±ΡΠ°Π·ΠΎΠΌ, ΡΡΠΎΠ±Ρ ΠΎΠ½Π° ΡΠ°ΡΠΏΠΎΠ»Π°Π³Π°Π»Π°ΡΡ Π½Π΅ΠΌΠ½ΠΎΠ³ΠΎ Π½ΠΈΠΆΠ΅ ΠΊΡΠ·ΠΎΠ²Π° (ΠΎΡ 5 Π΄ΠΎ 10 ΡΠΌ). Π’ΠΎΠ³Π΄Π° ΠΏΡΠΈ ΡΠΎΠ²Π΅ΡΡΠ΅Π½ΠΈΠΈ Π²ΠΎΠ·Π²ΡΠ°ΡΠ½ΠΎ-ΠΏΠΎΡΡΡΠΏΠ°ΡΠ΅Π»ΡΠ½ΡΡ Π΄Π²ΠΈΠΆΠ΅Π½ΠΈΠΉ Π»ΠΎΠΏΠ°ΡΠ° Π±ΡΠ΄Π΅Ρ ΠΏΡΠΈΠΏΠΎΠ΄Π½ΠΈΠΌΠ°ΡΡΡΡ, ΠΈ ΠΎΡΠ±ΡΠ°ΡΡΠ²Π°ΡΡ ΠΊΠ»ΡΠ±Π½ΠΈ ΠΊΠ°ΡΡΠΎΡΠ΅Π»Ρ, ΠΊΠΎΡΠΎΡΡΠ΅ ΠΏΠΎΠΏΠ°Π΄ΡΡ ΠΏΡΡΠΌΠΎ Π² ΠΏΡΠΎΠ²ΠΎΠ»ΠΎΡΠ½ΡΠΉ ΠΊΡΠ·ΠΎΠ².

ΠΡΠΈΠ½ΡΠΈΠΏ Π΄Π΅ΠΉΡΡΠ²ΠΈΡ Π³ΡΠΎΡ ΠΎΡΠ½ΠΎΠΉ ΠΊΠ°ΡΡΠΎΡΠ΅Π»Π΅ΠΊΠΎΠΏΠ°Π»ΠΊΠΈ ΠΈ ΠΊΠ°ΠΊ ΡΠ°Π±ΠΎΡΠ°Π΅Ρ Π³ΡΠΎΡ ΠΎΡ
ΠΡΠΎΡ ΠΎΡΠ½Π°Ρ ΠΊΡΠ°ΡΠΎΡΠ΅Π»Π΅ΠΊΠΎΠΏΠ°Π»ΠΊΠ° ΡΠ°Π±ΠΎΡΠ°Π΅Ρ Π·Π° ΡΡΠ΅Ρ ΠΏΠ΅ΡΠ΅Π΄Π°ΡΠΈ Π΄Π²ΠΈΠΆΠ΅Π½ΠΈΡ Π»ΠΎΠΏΠ°ΡΠ΅ Ρ ΠΌΠΎΡΠΎΠ±Π»ΠΎΠΊΠ° ΠΈΠ»ΠΈ ΠΠΠ‘ ΡΠ΅ΡΠ΅Π· ΠΏΡΠΈΠ²ΠΎΠ΄ (ΡΠ΄Π»ΠΈΠ½ΠΈΡΠ΅Π»Ρ ΠΈΠ»ΠΈ ΡΠ΅ΠΏΠ½Π°Ρ ΠΏΠ΅ΡΠ΅Π΄Π°ΡΠ°). ΠΠ»Ρ ΠΊΠΎΠΏΠΊΠΈ ΠΊΠ°ΡΡΠΎΡΠΊΠΈ ΠΈΡΠΏΠΎΠ»ΡΠ·ΡΡΡ Π»Π΅ΠΌΠ΅Ρ , ΠΊΠΎΡΠΎΡΡΠΉ ΡΡΡΠ°Π½Π°Π²Π»ΠΈΠ²Π°ΡΡ Π³ΠΎΡΠΈΠ·ΠΎΠ½ΡΠ°Π»ΡΠ½ΠΎ. ΠΠ½ Π²Π·ΡΠ΅Π·Π°Π΅ΡΡΡ Π² ΠΏΠΎΡΠ²Ρ ΠΈ ΠΏΠΎΠ΄Π½ΠΈΠΌΠ°Π΅Ρ ΠΊΠ»ΡΠ±Π½ΠΈ, ΡΠΌΠ΅ΡΠ°Π½Π½ΡΠ΅ Ρ Π³ΡΡΠ½ΡΠΎΠΌ.
ΠΡΠ° Β«ΠΌΠ°ΡΡΠ°Β» ΠΏΠΎΡΡΡΠΏΠ°Π΅Ρ Π½Π° Π³ΠΎΡΠΈΠ·ΠΎΠ½ΡΠ°Π»ΡΠ½ΡΡ ΡΠ΅ΡΠ΅ΡΠΊΡ, ΠΊΠΎΡΠΎΡΠ°Ρ ΠΏΠΎΡΡΠΎΡΠ½Π½ΠΎ Π²ΠΈΠ±ΡΠΈΡΡΠ΅Ρ. ΠΠ»Π°Π³ΠΎΠ΄Π°ΡΡ ΡΡΠΎΠΌΡ ΠΏΠΎΡΠ²Π° ΡΡΡΡΡ ΠΈΠ²Π°Π΅ΡΡΡ Π²Π½ΠΈΠ·, Π° ΠΊΠ»ΡΠ±Π½ΠΈ ΠΌΠ΅Π΄Π»Π΅Π½Π½ΠΎ Π΄Π²ΠΈΠ³Π°ΡΡΡΡ Π½Π°Π·Π°Π΄ ΠΈ, Π΄ΠΎΡΡΠΈΠ³Π½ΡΠ² ΠΊΡΠ°Ρ ΠΏΠΎΠ²Π΅ΡΡ Π½ΠΎΡΡΠΈ, ΠΏΠ°Π΄Π°ΡΡ Π½Π° Π·Π΅ΠΌΠ»Ρ (Π½Π° ΡΠ°ΠΌΡ Π±ΠΎΡΠΎΠ½Ρ ΠΈΠ»ΠΈ Π² ΡΡΠΎΡΠΎΠ½Ρ).
ΠΠ°ΠΊ ΠΏΡΠ°Π²ΠΈΠ»ΠΎ, Π² ΡΠ°ΠΌΠΎΠ΄Π΅Π»ΡΠ½ΡΡ ΡΡΡΡΠΎΠΉΡΡΠ²Π°Ρ Π½Π΅Π²ΠΎΠ·ΠΌΠΎΠΆΠ½ΠΎ ΠΎΡΡΠ΅Π³ΡΠ»ΠΈΡΠΎΠ²Π°ΡΡ Π³Π»ΡΠ±ΠΈΠ½Ρ ΠΏΠΎΠ³ΡΡΠΆΠ΅Π½ΠΈΡ ΠΈΠ»ΠΈ ΡΠΈΠ»Ρ Π²ΠΈΠ±ΡΠ°ΡΠΈΠΈ. ΠΠ΄Π½Π°ΠΊΠΎ ΠΏΡΠΈ ΠΆΠ΅Π»Π°Π½ΠΈΠΈ ΡΡΠΈ ΡΡΠ½ΠΊΡΠΈΠΈ ΠΌΠΎΠΆΠ½ΠΎ ΠΏΡΠ΅Π΄ΡΡΠΌΠΎΡΡΠ΅ΡΡ, ΠΏΠΎΡΠ»Π΅ ΡΠ΅Π³ΠΎ ΠΌΠ΅Π½ΡΡΡ ΠΏΠ°ΡΠ°ΠΌΠ΅ΡΡΡ Π²ΠΎ Π²ΡΠ΅ΠΌΡ ΡΠ°Π±ΠΎΡΡ.
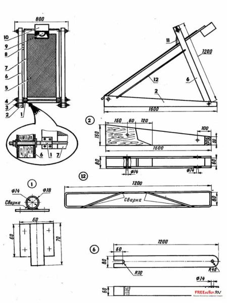
Π§Π΅ΡΡΠ΅ΠΆΠΈ, ΡΡ Π΅ΠΌΡ ΠΈ ΡΠ°Π·ΠΌΠ΅ΡΡ Π³ΡΠΎΡ ΠΎΡΠ½ΠΎΠΉ ΠΊΠ°ΡΡΠΎΡΠ΅Π»Π΅ΠΊΠΎΠΏΠ°Π»ΠΊΠΈ Π΄Π»Ρ ΠΌΠΎΡΠΎΠ±Π»ΠΎΠΊΠ° ΠΠ΅Π²Π°. Π€Π΅ΡΠΌΠ΅Ρ, ΠΠ’Π, ΠΌΠΈΠ½ΠΈΡΡΠ°ΠΊΡΠΎΡΠ°
ΠΡΡΡ Π½Π΅ΡΠΊΠΎΠ»ΡΠΊΠΎ Π²Π°ΡΠΈΠ°Π½ΡΠΎΠ² ΡΠ΅ΡΡΠ΅ΠΆΠ΅ΠΉ Π³ΡΠΎΡ ΠΎΡΠ½ΠΎΠΉ ΠΊΠ°ΡΡΠΎΡΠ΅Π»Π΅ΠΊΠΎΠΏΠ°Π»ΠΊΠΈ β Π½Π°ΠΏΡΠΈΠΌΠ΅Ρ, Π΄Π»Ρ ΡΡΠΆΠ΅Π»ΠΎΠ³ΠΎ ΠΌΠΎΡΠΎΠ±Π»ΠΎΠΊΠ°, ΠΌΠΈΠ½ΠΈΡΡΠ°ΠΊΡΠΎΡΠ° ΠΈ Π΄ΡΡΠ³ΠΈΡ . ΠΠ°ΠΈΠ±ΠΎΠ»Π΅Π΅ ΡΠ°ΡΠΏΡΠΎΡΡΡΠ°Π½Π΅Π½Π½ΡΠ΅ ΡΡ Π΅ΠΌΡ:
ΠΠ°ΠΊ ΡΠ΄Π΅Π»Π°ΡΡ Π³ΡΠΎΡ ΠΎΡΠ½ΡΡ ΠΊΠ°ΡΡΠΎΡΠ΅Π»Π΅ΠΊΠΎΠΏΠ°Π»ΠΊΡ Π΄Π»Ρ ΠΌΠΎΡΠΎΠ±Π»ΠΎΠΊΠ° ΡΠ²ΠΎΠΈΠΌΠΈ ΡΡΠΊΠ°ΠΌΠΈ
ΠΠ»Ρ ΠΈΠ·Π³ΠΎΡΠΎΠ²Π»Π΅Π½ΠΈΡ Π³ΡΠΎΡ ΠΎΡΠ½ΠΎΠΉ ΠΊΠ°ΡΡΠΎΡΠ΅Π»Π΅ΠΊΠΎΠΏΠ°Π»ΠΊΠΈ ΠΏΠΎΠ½Π°Π΄ΠΎΠ±ΡΡΡΡ ΡΠ°ΠΊΠΈΠ΅ ΠΌΠ°ΡΠ΅ΡΠΈΠ°Π»Ρ ΠΈ ΠΈΠ½ΡΡΡΡΠΌΠ΅Π½ΡΡ:
ΠΠ° ΠΎΡΠ½ΠΎΠ²Ρ ΠΌΠΎΠΆΠ½ΠΎ Π²Π·ΡΡΡ ΠΎΠ΄ΠΈΠ½ ΠΈΠ· ΠΏΡΠ΅Π΄ΡΡΠ°Π²Π»Π΅Π½Π½ΡΡ Π²ΡΡΠ΅ ΡΠ΅ΡΡΠ΅ΠΆΠ΅ΠΉ. ΠΠΎΡΠ°Π³ΠΎΠ²Π°Ρ ΠΈΠ½ΡΡΡΡΠΊΡΠΈΡ ΠΏΠΎ ΠΈΠ·Π³ΠΎΡΠΎΠ²Π»Π΅Π½ΠΈΡ ΠΏΡΠΎΡΡΠΎΠΉ ΡΠ°ΠΌΠΎΠ΄Π΅Π»ΡΠ½ΠΎΠΉ Π³ΡΠΎΡ ΠΎΡΠ½ΠΎΠΉ ΠΊΠ°ΡΡΠΎΡΠ΅Π»Π΅ΠΊΠΎΠΏΠ°Π»ΠΊΠΈ ΡΠ°ΠΊΠ°Ρ:
ΠΠ°Π³Π»ΡΠ΄Π½ΡΡ ΠΈΠ½ΡΡΡΡΠΊΡΠΈΡ ΠΏΠΎ ΠΈΠ·Π³ΠΎΡΠΎΠ²Π»Π΅Π½ΠΈΡ Π³ΡΠΎΡ ΠΎΡΠ½ΠΎΠΉ ΠΊΠ°ΡΡΠΎΡΠ΅Π»Π΅ΠΊΠΎΠΏΠ°Π»ΠΊΠΈ ΡΠ²ΠΎΠΈΠΌΠΈ ΡΡΠΊΠ°ΠΌΠΈ ΠΌΠΎΠΆΠ½ΠΎ Π½Π°ΠΉΡΠΈ Π½Π° Π²ΠΈΠ΄Π΅ΠΎ.

Π‘Π°ΠΌ ΠΏΡΠΎΡΠ΅ΡΡ ΠΊΠΎΠΏΠΊΠΈ Π²ΡΠ³Π»ΡΠ΄ΠΈΡ ΡΠ°ΠΊ:
ΠΠ°ΠΊ ΡΠ΄Π΅Π»Π°ΡΡ Π³ΡΠΎΡ ΠΎΡΠ½ΡΡ ΠΊΠ°ΡΡΠΎΡΠ΅Π»Π΅ΠΊΠΎΠΏΠ°Π»ΠΊΡ Ρ Π°Π²ΡΠΎΠ½ΠΎΠΌΠ½ΡΠΌ ΠΠΠ‘ ΡΠ²ΠΎΠΈΠΌΠΈ ΡΡΠΊΠ°ΠΌΠΈ
ΠΡΠΎΡ ΠΎΡΠ½ΡΡ ΠΊΠ°ΡΡΠΎΡΠ΅Π»Π΅ΠΊΠΎΠΏΠ°Π»ΠΊΡ ΠΌΠΎΠΆΠ½ΠΎ ΡΠ΄Π΅Π»Π°ΡΡ ΠΈ Π½Π° ΠΌΠΈΠ½ΠΈΡΡΠ°ΠΊΡΠΎΡ Π’-25. ΠΡΠΎ Π΄Π°Π΅Ρ Π²ΠΎΠ·ΠΌΠΎΠΆΠ½ΠΎΡΡΡ ΠΏΠΎΠ»Π½ΠΎΡΡΡΡ ΠΌΠ΅Ρ Π°Π½ΠΈΠ·ΠΈΡΠΎΠ²Π°ΡΡ ΡΠ±ΠΎΡΠΊΡ ΡΡΠΎΠΆΠ°Ρ: Π΄Π²ΠΈΠΆΡΡΠ΅ΠΉ ΡΠΈΠ»ΠΎΠΉ Π²ΡΡΡΡΠΏΠ°Π΅Ρ Π΄Π²ΠΈΠ³Π°ΡΠ΅Π»Ρ Π²Π½ΡΡΡΠ΅Π½Π½Π΅Π³ΠΎ ΡΠ³ΠΎΡΠ°Π½ΠΈΡ (ΠΠΠ‘) ΡΡΠ°ΠΊΡΠΎΡΠ°. ΠΠ»Ρ ΡΠΎΠ·Π΄Π°Π½ΠΈΡ ΠΊΠΎΠ½ΡΡΡΡΠΊΡΠΈΠΈ ΠΏΠΎΠ½Π°Π΄ΠΎΠ±ΡΡΡΡ ΡΠ°ΠΊΠΈΠ΅ ΠΌΠ°ΡΠ΅ΡΠΈΠ°Π»Ρ ΠΈ ΠΈΠ½ΡΡΡΡΠΌΠ΅Π½ΡΡ:
ΠΠ½ΡΡΡΡΠΊΡΠΈΡ ΠΏΠΎ ΡΠ°Π·ΡΠ°Π±ΠΎΡΠΊΠ΅ Π³ΡΠΎΡ ΠΎΡΠ½ΠΎΠΉ ΠΊΠ°ΡΡΠΎΡΠ΅Π»Π΅ΠΊΠΎΠΏΠ°Π»ΠΊΠΈ Π΄Π»Ρ ΠΌΠΈΠ½ΠΈΡΡΠ°ΠΊΡΠΎΡΠ° ΡΠ»Π΅Π΄ΡΡΡΠ°Ρ:
ΠΠ°ΠΊ ΡΠ΄Π΅Π»Π°ΡΡ ΠΊΠ°ΡΡΠΎΡΠ΅Π»Π΅ΠΊΠΎΠΏΠ°Π»ΠΊΡ Π³ΡΠΎΡ ΠΎΡΠ½ΡΡ Π±Π΅Π· Π³ΡΠΎΡ ΠΎΡΠ° ΠΊ ΠΌΠΎΡΠΎΠ±Π»ΠΎΠΊΡ
Π‘Π°ΠΌΠΎΠ΄Π΅Π»ΡΠ½ΡΡ Π³ΡΠΎΡ ΠΎΡΠ½ΡΡ ΠΊΠ°ΡΡΠΎΡΠ΅Π»Π΅ΠΊΠΎΠΏΠ°Π»ΠΊΡ Π΄Π»Ρ ΠΌΠΎΡΠΎΠ±Π»ΠΎΠΊΠ° ΠΌΠΎΠΆΠ½ΠΎ ΡΠΊΠΎΠ½ΡΡΡΡΠΈΡΠΎΠ²Π°ΡΡ ΠΈ Π±Π΅Π· Π³ΡΠΎΡ ΠΎΡΠ°. ΠΠΎΡΠΎΠ²ΡΠΉ Π²Π°ΡΠΈΠ°Π½Ρ ΠΌΠΎΠΆΠ½ΠΎ ΡΠ²ΠΈΠ΄Π΅ΡΡ Π·Π΄Π΅ΡΡ.
ΠΠ°ΠΊΠ»ΡΡΠ΅Π½ΠΈΠ΅
Π§Π΅ΡΡΠ΅ΠΆΠΈ Π³ΡΠΎΡ ΠΎΡΠ½ΠΎΠΉ ΠΊΠ°ΡΡΠΎΡΠ΅Π»Π΅ΠΊΠΎΠΏΠ°Π»ΠΊΠΈ Π΄Π»Ρ ΠΌΠΎΡΠΎΠ±Π»ΠΎΠΊΠ°, ΠΏΡΠ΅Π΄ΡΡΠ°Π²Π»Π΅Π½Π½ΡΠ΅ Π²ΡΡΠ΅, ΠΏΠΎΠ·Π²ΠΎΠ»ΡΡΡ Π²ΡΠ±ΡΠ°ΡΡ ΠΏΠΎΠ΄Ρ ΠΎΠ΄ΡΡΠΈΠΉ Π²Π°ΡΠΈΠ°Π½Ρ ΠΊΠΎΠ½ΡΡΡΡΠΊΡΠΈΠΈ β Π΄Π»Ρ ΠΌΠΎΡΠΎΠ±Π»ΠΎΠΊΠ°, ΠΌΠΈΠ½ΠΈΡΡΠ°ΠΊΡΠΎΡΠ° Π’-25, ΠΎΠ΄Π½ΠΎΡΡΠ΄Π½ΡΠΉ ΠΈΠ»ΠΈ Π΄Π²ΡΡ ΡΡΠ΄Π½ΡΠΉ Π°ΠΏΠΏΠ°ΡΠ°Ρ. Π‘Π΄Π΅Π»Π°ΡΡ ΠΈΠ½ΡΡΡΡΠΌΠ΅Π½Ρ ΡΠ²ΠΎΠΈΠΌΠΈ ΡΡΠΊΠ°ΠΌΠΈ Π½Π΅ ΠΎΡΠ΅Π½Ρ ΠΏΡΠΎΡΡΠΎ, Π½ΠΎ ΠΏΡΠΈ Π½Π°Π»ΠΈΡΠΈΠΈ Π½Π°Π²ΡΠΊΠΎΠ² ΡΠ°Π±ΠΎΡΡ Π½Π° ΡΠ²Π°ΡΠΎΡΠ½ΠΎΠΌ Π°ΠΏΠΏΠ°ΡΠ°ΡΠ΅ Π²ΠΏΠΎΠ»Π½Π΅ Π²ΠΎΠ·ΠΌΠΎΠΆΠ½ΠΎ.












