Как сделать звонок на велосипед
Собрать велосипедный звонок. Велосипедный звонок своими руками
Аналогичные требования изложены в пунктах 194.7 и 200 ПДД республики Беларусь.
Улавливаете? 80 процентов украинских и белорусских велосипедистов фактически являются злостными нарушителями ПДД, хотя бы из-за отсутствия звукового сигнала. И если ГАИ до сих пор закрывает глаза на нарушение велосипедистами Правил, то где гарантия, что лично Вы не станете первым оштрафованным велосипедистом?
В Правилах дорожного движения Российской Федерации пока нет требования оснащать велосипеды звуковым сигналом. К счастью или к сожалению – не знаю. Пусть каждый сам для себя решает, нужен ему звонок или нет. Но если вы решили приобрести велозвонок, то читаем далее…
Разновидности велозвонков
Под эту категорию попадает великое множество звонков, принцип работы которых следующий: металлический молоточек стучит по металлическому корпусу звонка. Вся проблема этих велозвонков в том, что они эффективны только для пешеходов. Водитель, сидящий в автомобиле такой звонок просто не услышит. Плюсы: высокая надежность и крайне низкая цена (от 3 долларов).
Дудка с грушей – пожалуй, наиболее устаревшая разновидность велосипедных звонков, которая, тем не менее, все еще используется на растабайках и детских велосипедах.
В электрическом (электронном) велосипедном звонке звук генерируется небольшим динамиком. Питание – одна или несколько батареек. Существуют разные модели электрических звонков: с возможностью выбора сигнала, с регулируемой мощностью, обычных и водонепроницаемых. К преимуществам таких велозвонков можно отнести компактность, надежность и невысокую цену. Хороший электрозвонок с мощным сигналом можно купить всего за 15-20 долларов. Однако, и в этой бочке меда есть своя ложка дегтя: пешеходы не всегда ассоциируют сигнал электрического звонка с велосипедом и поэтому могут его игнорировать. С автомобилями подобной проблемы обычно не возникает.
Короче, выбрать есть из чего.
В завершение статьи я бы еще раз хотел подчеркнуть, что в Украине и в Беларуси запрещается управлять велосипедом, не оборудованным исправным звуковым сигналом. А велосипедистам из других стран я бы рекомендовал рассматривать велозвонок в качестве дополнительного средства обеспечения личной
Рано ли поздно у велосипедиста наступает день, когда ему надоедает кричать: «Эй, любезный, не соблаговолите ли отойти. », и он покупает велозвонок.
Звонок был выбрал после долгих поисков, т.к. по стилю и дизайну классические «колокола» не подходят, а электрические пластмассовые выглядят довольно по ашански. Более менее адекватные на вид «мини-звонки» выполнены, как и водится на алике, из пластика и алюминия, и звенят они никак.
Данный же звонок практически не заметен на руле, а если и заметен, то не выглядит инородно. Шестигранный винт выдаёт в нём некую «трушную» велодеталь и не более. На родине оригинала чёрный цвет называют ёмко: «stealth black».
Приходит в простой, но приличной упаковке, в комплекте лишь дополнительный хомутик большого размера.

Собирается он нетривиально:
— сначала стяжка хомута вставляется в каркас;
— затем каркас ставится на руль;
— после чего хомут вставляется в стяжку;
— далее ставится купол;
— вставляется сверху винт и зажимается.
Впрочем, на видео всё равно понятнее.

На руле выглядит, как я и говорил, вполне органично.
Вариант для длинного хомута:
Вариант для короткого хомута:

Звенит ярко и мелодично, громкости хватает, чтобы звенело в ухе.
Планирую купить +17 Добавить в избранное Обзор понравился +12 +33
На это электронное устройство можно возложить и дополнительные функции. Например, оно может стать акустическим «маячком», периодически подавая короткие звуковые сигналы. Такой режим работы наверняка будет полезен при походе за грибами, для того, чтобы не потерять велосипед в чаще леса.
Схема устройства показана на рис. 1.
Работает устройство следующим образом. В исходном состоянии контакты выключателей SB1, SA1 разомкнуты, как показано на рис. 1, и устройство тока не потребляет. В режиме «Сигнал» замыкаются кнопки SB1.1 и SB1.2 и питание поступает на все элементы. Диод VD1 в этом режиме замкнут, поэтому первый генератор вырабатывает прямоугольные импульсы со скважностью около 2. Частота их следования определяется емкостью конденсатора С1 и сопротивлением резистора R2. Она составляет несколько герц. Когда на выводе 3 элемента DD1.1 оказывается низкий логический уровень, второй генератор не работает и ключ закрыт. При появлении на этом выводе высокого логического уровня второй генератор начнет работать и в головке ВА1 будет слышен звуковой сигнал. Таким образом, в этом режиме формируется сигнал, звучащий как «бип-бип-бип».
Если включить переключатель SA1 (режим «Маяк»), то питание также поступит на устройство, но первый генератор будет вырабатывать импульсы со скважностью около 300 и периодом следования 18. 20 с. Обусловлено это тем, что зарядка конденсатора С1 происходит сравнительно быстро через диод VD1 и резистор R2 небольшого сопротивления. Разрядка же происходит через резистор R1 с большим сопротивлением, поэтому и осуществляется гораздо медленнее. В этом режиме второй генератор включается на короткое время через большие промежутки времени, т. е. устройство работает как акустический «маячок».
Питается устройство от батареи аккумуляторов или гальванических элементов с общим напряжением 3. 6 В. Блокировочный конденсатор C3 установлен параллельно батарее до выключателей, сделано это для того, чтобы после отпускания кнопки SB1 или выключения переключателя SA1 звуковой сигнал сразу же прекращался.
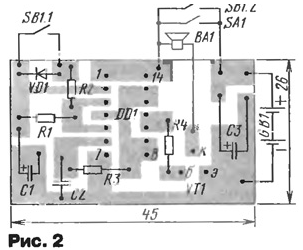
Большинство деталей размещено на печатной плате (рис. 2) из односторонне фольгированного стеклотекстолита. Плату, динамическую головку и батарею надо разместить в корпусе подходящих габаритов, при этом кнопку SB1 желательно установить так, чтобы ею было удобно пользоваться для подачи звукового сигнала, например, около рукоятки руля.
Налаживание сводится к настройке режимов работы генераторов. Высоту тона звукового сигнала, т. е. частоту второго генератора, устанавливают подбором резистора R3, для этого надо временно замкнуть накоротко конденсатор С1, чтобы получить непрерывный сигнал. Затем, нажав кнопку SB1, подбором резистора R2 устанавливают наиболее подходящий режим работы первого генератора. При включенном переключателе SA1 подбором номинала резистора R1 устанавливают требуемый период подачи звукового сигнала.
Велосипедный звонок используется с целью обрать на себя внимание, чтобы вас заметили на дороге. Многие производители, особенно бюджетного сегмента, предлагают предустановленные звонки, но на велосипедах спортсменов звуковой сигнал встречается редко.
Аксессуар или необходимость
Действительно, необходимостью звонок назвать нельзя. Всегда можно крикнуть, пошуметь, каким-либо образом обратить на себя внимание в проблемной ситуации. На самом деле, сигнал можно назвать необходимостью в трёх случаях:
Типы велосипедных звонков
Механизмов подачи сигнала может быть сколько угодно, но производители предлагают следующие три типа.
Механический звонок
Самый простой и самый распространённый звонок. Никаких сложностей. Ударный механизм заключен в металлический корпус. Звук извлекается посредством удара язычка о корпус. Именно такие звонки мы помним из детства, и только такие звонки устанавливаются при продаже недорогих велосипедов.
Дизайнерский механический звонок
Плюсы механического типа:
Дудка с грушей
Данный тип всем известен как «клаксон». Изобретенный уже больше сотни лет назад механизм не потерял своей привлекательности, но повторяет плюсы и минусы предыдущего типа. Данный тип звонка для велосипеда легко узнаётся пешеходами, удобен в использовании и симпатичен, но очень слаб, плохо работает в непогоду, и не будет слышен водителям автомобилей.
Эволюционное развитие клаксона – это подключение раструба не к груше, а к баллону со сжатым воздухом, который, выходя, будет создавать намного большее давление и, следовательно, устройство будет выдавать более громкий звук.

Пневмоклаксон с накачиваемым баллоном
Баллоны бывают одноразовые (изготовленные на заводе) и переиспользуемые, которые накачиваются с помощью насоса. При замене таким баллоном может «работать» даже обычная пластиковая бутылка.
Плюс у данного механизма только один – это фантастически громкий звук, сравнимый со звуком сигнала грузового автомобиля. Такой заметят все. Минусы – сложности в эксплуатации (подготовка баллонов) и установке. Устройство требует большого внимания, места и серьёзно прибавляет велосипеду в весе. Кроме всего прочего, готовых наборов для пневмоклаксона очень мало, поэтому часть комплектующих придётся изготавливать самому, а также устанавливать звонок на велосипед самостоятельно.
Электронный звонок
Веяния современных технологий доходят и до звуковых аксессуаров. Всё большую популярность набирают электронные звонки для велосипеда. Это небольшое устройство с динамиком и контроллером, питающееся от батарейки и занимающее место, сравнимое с механическим звонком.

Установленный электронный звонок со стороны динамика
В отличие от других устройств, электрический тип очень лёгок и удобен в использовании. Плюсами будут:
К минусам можно отнести то, что звук иной раз предлагается электроникой неестественный, и пешеходы с автолюбителями могут просто не понять, что им сигналят.
Что выбрать
Собственно, по выбору можно дать несколько конкретных советов, в зависимости от стиля катания. Для прогулок по городу и спокойной езды по тротуарам выбирайте механический или классический клаксон. Для езды по трассе, а также, если не важен вес, монструозный пневмоклаксон – для вас. Ну а для всех остальных ситуаций лучше выбрать простой и лёгкий электрический сигнал.
В современном мире уровень шума на улицах достаточно высок. Да и все более популярным явлением становится укрытие от общегородской суеты за прослушиванием музыки в наушниках. В таких условиях велосипедисту довольно сложно привлечь к себе внимание с помощью звонка. Сложно, но возможно!
Велосипедный звонок – не просто необходимость, определенная правилами, а модный аксессуар, позволяющий велобайкеру легко передвигаться как среди пешеходов, так и среди автолюбителей.
Устройство
Известно три вида велосипедных звонков и различаются они не только устройством, но и уровнем звука.
Механический тип. Наверняка все помнят этот звонкий «дзынь-дзынь» из детства. Стальное круглое основание с язычком, дергая за который мы слышали характерный звук. Внутри устройства находится молоточек, который бьет по корпусу, тем самым звеня. Отличный и малобюджетный вариант для велопрогулок по тротуарам. Однако на автомобильной дороге такой звуковой сигнал едва различим.
Клаксон. Тоже своеобразный «привет» из прошлого. Дудка с грушей на конце, при нажатии на которую выходит протяжный и «крякающий» гудок. Идеально подходит для раритетных тихоходных байков. Для более современных велосипедов был разработан пневматический клаксон. Принцип работы тот же, однако внутри находится емкость с сжатым воздухом.
Такой звонок способен выдавать до 100 Дб, что схоже с гудком локомотива!
Электронный
Новое поколение велосипедных звонков значительно превосходит своих собратьев. Регулирование Дб, возможность выбора музыки и легкое крепление к рулю – это лишь основные плюсы данного устройства. Сейчас производители также оснащают новинки фонарем, датчиком скорости и даже видеорегистратором. Питается такое чудо-устройство от стандартных батареек, а стоит совсем недорого.
Своими руками
В интернете существует масса инструкций для мастеров, желающих создать свой индивидуальный велосипедный «клаксон». Начиная от простых схем механического устройства и заканчивая сложными микросхемами электронного гаджета. Особое место занимают различные нестандартные идеи. Так, на специализированных форумах предлагают заменить стандартный звонок на звуковой сигнал от автосигнализации.
5 надоедливых звуков велосипеда или симптомы поломки
Здравствуйте, друзья! Сегодня мы поговорим о такой, казалось бы, незначительной вещице, как велосипедный звонок
. Чего уж греха таить, большинство велосипедистов считают звонок на руле ненужным архаизмом и катают без него. А зря! Ведь в некоторых странах эксплуатация велосипеда без велозвонка запрещена.
Так, в пункте 6.2 Правил дорожного движения Украины содержится требование к оснащению велосипеда звуковым сигналом: «Велосипедист имеет право управлять велосипедом, который оборудован звуковым сигналом и световозвращателями…»
. Далее, в пункте 6.6 прямо прописано:
«Запрещается управлять велосипедом с неисправным тормозом, звуковым сигналом…»
.
Аналогичные требования изложены в пунктах 194.7 и 200 ПДД республики Беларусь.
Улавливаете? 80 процентов украинских и белорусских велосипедистов фактически являются злостными нарушителями ПДД, хотя бы из-за отсутствия звукового сигнала. И если ГАИ до сих пор закрывает глаза на нарушение велосипедистами Правил, то где гарантия, что лично Вы не станете первым оштрафованным велосипедистом?
В Правилах дорожного движения Российской Федерации пока нет требования оснащать велосипеды звуковым сигналом. К счастью или к сожалению – не знаю. Пусть каждый сам для себя решает, нужен ему звонок или нет. Но если вы решили приобрести велозвонок, то читаем далее…
Простой электронный звонок для велосипеда (К561ТЛ1)
При желании заменить обычный механический звонок велосипеда электронным, можно сделать такое несложное устройство, схема которого описывается здесь. Главным достоинством этого устройства является мизерный ток потребления при достаточной громкости звучания.
Достигнуто это тем, что в качестве акустического элемента в этой схеме используется пьезоэлектрический звукоизлучатель от старого кнопочного телефона. Он звучит громко, но тока потребляет немного. А в режиме молчания схема вообще ничего не потребляет, потому что питание на неё подается только во время звонка.
Еще одним достоинством можно признать возможность работы в очень широком диапазоне напряжения питания, — от З до 15V. Но, чем ниже напряжение питания, тем ниже громкость. Оптимальным, по отношению габаритов к громкости является питание напряжением 9V от батареи «Кроны», или её аналога.









Как снять педали с велосипеда
Педали нужно снимать когда:
Чтобы сделать это, вам понадобится специальный педальный ключ (его может заменить рожковый ключ на 15 или торцевой на 6 или 8 мм), ветошь и смазка.
Как снять педали с велосипеда
Поставьте велосипед на колёса (использование специального стенда, который держит велосипед на весу, конкретно для этого случая — не лучший вариант, потому что при откручивании педалей приходится прикладывать очень большое усилие, которое может гаситься конструкцией стенда).
Обратите внимание, что резьба у левой и правой педали разные! Это сделано для того, чтобы левая педаль не выкручивалась самопроизвольно, когда вы будете ехать на велосипеде. Таким образом, правую педаль (с той стороны, где находятся звёзды) вы откручиваете как обычно, против часовой стрелки; а вот чтобы ослабить левую педаль, вам нужно крутить ключом по часовой стрелке. Это очень важно запомнить, чтобы не затянуть левую педаль ещё сильнее!
Если вам нужно снять обе педали, то начните с правой. Установите шатун параллельно земле, направив его вперёд. Так вам будет удобнее раскрутить гайку, давя своим весом на ключ; а ещё вы с меньшей вероятностью ударитесь о перья рамы в районе заднего колеса. Будьте осторожны, не повредите пальцы о передние звёзды! После того как ослабите педаль, открутите её совсем, следя при этом за тем, чтобы никуда не укатились шайбы, которые могут там быть.
Чтобы открутить левую педаль, точно так же сориентируйте шатун. Снова напоминаем: здесь откручивать нужно по часовой стрелке!
После того как вы сняли педаль, первым делом, чтобы не забыть, протрите резьбу в шатунах — удалите остатки смазки и грязь.
Как разобрать, отрегулировать и собрать педпль
Теперь приступайте к разборке самой педали. Удерживая ось с того конца, что вкручивался в шатун, ослабьте шестигранником или другим ключом гайку на её другом конце. Если вы не видите со второй стороны оси гайку или паз для шестигранника, посмотрите, возможно, там есть накладка — подденьте её ножом и снимите. Выкрутив все гайки, извлеките ось и все подшипники.
Промойте все детали в бензине или керосине, вытрите насухо. После этого можно приступить к сборке.
Нанесите густую смазку на подшипники и уложите их так, чтобы шарики были направлены внутрь педали. Теперь — надевайте ось, накручивайте конус и контргайку (если были шайбы, то тоже располагайте их там, где они были).
Перед тем как прикрутить педаль к велосипеду, нужно отрегулировать её. Возьмите её за ось и крутаните. Педаль должна вращаться максимально легко, при этом не должно быть люфта — ну разве только самый минимальный. Регулировка осуществляется следующим образом: откручивая или затягивая контргайку, добивайтесь, чтобы педаль вращалась с достаточной лёгкостью. Как только получите устраивающий эффект, можно приворачивать педали к шатунам (нанесите некоторое количество смазки на резьбу).
При этом помните, что затягивать их нужно в сторону, обратную откручиванию: правую, как обычно, по часовой стрелке, а левую — против. Начинайте закручивать педали сперва руками, чтобы насадить их максимально верно, не сорвав резьбу.
Автор статьи Алексей Желудков
Видео меняем педали на велосипеде:
Перейти в каталог велопедалей >>>
Если вы никогда ранее не снимали колёса с велосипеда, то тоже можете опасаться, что не справитесь, особенно с задним колесом (ведь там цепь, куча звёздочек и этот хитрый переклюк!). Но мы сейчас всё расскажем об этой простой операции.
В этой статье ответим не только на вопрос «почему скрипит велосипед», но и расскажем обо всех посторонних звуках, которые могут появляться во время катания: скрип, скрежет, хруст, шорох, свист, треск, стуканье.
Итак, продолжаем цикл статей о разборке отдельных узлов велосипеда. Педали мы с вами уже откручивали, сегодня расскажем о том, как снять шатуны.
Иногда возникает необходимость разобрать велосипед. Как правило, это делается для его транспортировки, хранения или для того, чтобы заменить какие-то его узлы.
Лето уже не за горами, если ты ещё не успел подготовить байк к новому сезону, сейчас самое время!
Принципиальная схема
Схему можно увидеть на рисунке в тексте. Схема построена вокруг одной КМОП-микросхемы — К561ТЛ1.
Рис. 1. Принципиальная схема простого электронного звонка для велосипеда.
Это четыре логических элемента «2И-НЕ», как у К561ЛА7, но с встроенными триггерами Шмитта. Наличие триггеров Шмитта, в данном случае, позволяет строить RC-мультивибратор минимум на одном элементе (у К561ЛА7 — минимум на двух).
Звук состоит из основного тона частотой около 1500-2000 Гц и прерывающего частотой около 8-10 Гц. Генератор основного тона выполнен на логическом элементе D1.2. Частота зависит от цепи C2-R2 и регулируется подбором сопротивления R2. Генератор прерывания выполнен на логическом элементе D1.1. Частота прерывания зависит от цепи C1-R1 и регулируется подбором сопротивления R1.
С выхода генератора тона импульсы поступают на мостовой усилитель на логических элементах D1.3 и D1.4. Они инвертируют импульсы. Пьезоэлектрический звукоизлучатель BF1 включен между выходами этих элементов, и на него поступают противофазные импульсы.
В результате фактический размах переменного напряжения на BF1 оказывается удвоенным. Соответственно, и громкость звука больше.
Детали и налаживание
Что касается громкости звука, нужно учесть что при работе на частоте резонанса пьезоэлектрический звукоизлучатель звучит в несколько раз громче. Поэтому, при налаживании подбор частоты генератора тона (резистором R2) нужно выполнять не по наиболее приятному, а по наиболее громкому звуку. Частоту прерывания (R1) можно установить по наиболее приятному, по вашему мнению, характеру звучания.
Рис. 2. Печатная плата для схемы велосипедного звонка.
Монтаж выполнен на печатной плате из фольгированного стеклотекстолита. Корпусом служит корпус от квадратной влагозащищеной электророзетки. Её содержимое (колодка с контактами) удалено.
Вместо него туда установлена эта плата, источник питания, а в углубление для вилки установлен пьезоэлектрический звукоизлучатель. Кнопка S1 микротумблерная, без фиксации, расположена на торцевой части корпуса.
Устройство
Известно три вида велосипедных звонков и различаются они не только устройством, но и уровнем звука.
Механический тип. Наверняка все помнят этот звонкий «дзынь-дзынь» из детства. Стальное круглое основание с язычком, дергая за который мы слышали характерный звук. Внутри устройства находится молоточек, который бьет по корпусу, тем самым звеня. Отличный и малобюджетный вариант для велопрогулок по тротуарам. Однако на автомобильной дороге такой звуковой сигнал едва различим.
Клаксон. Тоже своеобразный «привет» из прошлого. Дудка с грушей на конце, при нажатии на которую выходит протяжный и «крякающий» гудок. Идеально подходит для раритетных тихоходных байков. Для более современных велосипедов был разработан пневматический клаксон. Принцип работы тот же, однако внутри находится емкость с сжатым воздухом.
Такой звонок способен выдавать до 100 Дб, что схоже с гудком локомотива!
Электронный звонок. Современное портативное устройство, позволяющее давать сигналы водителям и пешеходам с разным уровнем звука — порадует велолюбителей многообразием мелодий.
Что выбрать
Собственно, по выбору можно дать несколько конкретных советов, в зависимости от стиля катания. Для прогулок по городу и спокойной езды по тротуарам выбирайте механический или классический клаксон. Для езды по трассе, а также, если не важен вес, монструозный пневмоклаксон – для вас. Ну а для всех остальных ситуаций лучше выбрать простой и лёгкий электрический сигнал.
В современном мире уровень шума на улицах достаточно высок. Да и все более популярным явлением становится укрытие от общегородской суеты за прослушиванием музыки в наушниках. В таких условиях велосипедисту довольно сложно привлечь к себе внимание с помощью звонка. Сложно, но возможно!
Велосипедный звонок – не просто необходимость, определенная правилами, а модный аксессуар, позволяющий велобайкеру легко передвигаться как среди пешеходов, так и среди автолюбителей.
Велосипедный звонок от моделиста конструктора
Эта схема была опубликована в одном из старых выпусков журнала моделист конструктор и несмотря на устаревшую элементную базу будет очень полезна байкерам в случае езды по пешеходным зонам, из-за отсутствия велодорожек.
При замыкании кнопки несимметричный мультивибратор на первых двух транзисторах начинает создавать колебания низкой частоты. Они следуют на однокаскадный усилитель построенный на составном транзисторе. В этот же самый момент времени от батареи заряжается емкость С2, которая после отпускания кнопки продолжит питать схему устройства. При этом тональность звукового сигнала повышается, а амплитуда снижается, напоминая звучание сирены собранной своими руками. Сопротивление R3 ограничивает ток потребления и изготавливается из кусочка спирали для электроплитки.
В роли источника звука можно применить любую малогабаритную динамическую головку с сопротивлением не более 10 Ом, например, ОДГД-6.
Велосипедный звонок на двух микросхемах
Одна из них это специальная микросхема для построения музыкальных автоматов. В памяти микросхемы имеется набор мелодий, который можно воспроизводить в любой последовательности. В микросхеме УМС7-08 таких мелодий целых три.
Схема самодельной сирены для велосипеда
Берите сирены со скидкой в этом китайском магазине.
Соберем вместе с каналом ютуб “Инженерный хаос”простенькую схему электронной сирены для велосипеда. Потребуется минимум деталей и немного свободного времени. В одном из магазинов купил фонарик за 50 рублей, у него есть отсек под батарейки, также неплохой пластмассовый корпус. Есть место для внедрения динамика, сам по себе он не плох. Главное, крепление для велосипеда, уже придумывать особо ничего не надо. Для сборки схемы взял монтажную платку и все последовательно аккуратно на ней спаял. Получилось простенькое устройство. Забыл впаять 2 компенсатора по питанию, возможно будем впаивать, возможно нет. Лучше впаяем, чтобы все по фен-шую было.
Устройство запустилось не с первого раза. Перепроверил схему, оказалось, какую-то дорожку не до конца провел, поэтому ничего не работало. Исправил, все работает. Если там не запустилось с первого раза, то не паникуйте, не хватайтесь за молоток… возьмите и все еще раз по схеме проверьте. Скорее всего, ошибка где-то в сборке, либо какая то деталь паленой оказалась, такое бывает часто. Все перепроверяйте, потом обязательно запустится.
Педали-щелкунчики
Педали имеют подшипники, которые изнашиваются. И это происходит раньше, если на них часто попадает грязь и влага. Поэтому, если Вы слышите неприятный хруст с педалей, то не падайте духом и, если веломастер скажет, что пора ставить новые педали, то отнеситесь к этому с позитивом и используйте эту возможность побаловать себя новой парой! Сейчас они такие разные по размеру, весу и цвету
Если же проблема не в педалях, то это может быть втулка, в случае чего необходим профессиональный ремонт.
Если эти советы велосипеду не помогли и посторонние звуки не исчезли после всех Ваших стараний, то не мучайте велосипед, себя и окружающих — привозите своего железного коня к нам на тех.осмотр и мы исправим все недостатки и вдохнем новую жизнь в ваш велосипед!
Как сделать звонок на велосипед своими руками
Собран звонок на двух транзисторах разной структуры по схеме несимметричного мультивибратора. Когда нажата кнопка SВ1, на мультивибратор подается питание от источника GВ1, и он начинает вырабатывать импульсы тока, которые проходят через звуковую катушку динамической головки ВА1. Частота импульсов, а значит, высота звука, зависит от емкости конденсатора С1 и сопротивления резистора R1 и при указанных на схеме номиналах равна примерно 1000 Гц. Чтобы повысить частоту звука, достаточно уменьшить емкость конденсатора или сопротивление резистора.
Оба транзистора в звонке должны быть германиевые, VТ1 — структуры n-p-n (любой из серий МП35—МП38), VТ2 — структуры p-n-p (любой из серий МП39—МП42). Конденсатор — МБМ или другой бумажный, резистор — МЛТ мощностью 0,25 Вт (МЛТ-0,25). Динамическая головка — мощностью 0,1—0,5 Вт, со звуковой катушкой сопротивлением 6—10 Ом. Хорошие результаты получаются, например, с динамической головкой 0,25ГД-19, внешние размеры которой 63X63X20 мм. Источник питания — батарея 3336 (от карманного фонаря) или три последовательно соединенных элемента 373 («Сатурн»). Кнопка может быть любой конструкции, но возможно меньших габаритов.
Детали звонка можно разместить в корпусе из изоляционного материала (текстолит, органическое стекло) или из металла (алюминий, дюралюминий). В передней стенке корпуса должно быть вырезано отверстие напротив диффузора динамической головки и закрыто неплотной тканью или декоративной решеткой. Задняя стенка корпуса съемная. Внутри к ней крепят источник питания (батарею 3336, для батареи из элементов корпус придется взять больших габаритов), а снаружи — металлическую скобу для установки звонка на стойке руля. Кнопку лучше всего разместить на правой ручке руля так, чтобы она не мешала во время езды, но в то же время ее было удобно нажимать.
Разновидности велозвонков
Под эту категорию попадает великое множество звонков, принцип работы которых следующий: металлический молоточек стучит по металлическому корпусу звонка. Вся проблема этих велозвонков в том, что они эффективны только для пешеходов. Водитель, сидящий в автомобиле такой звонок просто не услышит. Плюсы: высокая надежность и крайне низкая цена (от 3 долларов).
– пожалуй, наиболее устаревшая разновидность велосипедных звонков, которая, тем не менее, все еще используется на растабайках и детских велосипедах.
В электрическом (электронном) велосипедном звонке
звук генерируется небольшим динамиком. Питание – одна или несколько батареек. Существуют разные модели электрических звонков: с возможностью выбора сигнала, с регулируемой мощностью, обычных и водонепроницаемых. К преимуществам таких велозвонков можно отнести компактность, надежность и невысокую цену. Хороший электрозвонок с мощным сигналом можно купить всего за 15-20 долларов. Однако, и в этой бочке меда есть своя ложка дегтя: пешеходы не всегда ассоциируют сигнал электрического звонка с велосипедом и поэтому могут его игнорировать. С автомобилями подобной проблемы обычно не возникает.
Короче, выбрать есть из чего.
В завершение статьи я бы еще раз хотел подчеркнуть, что в Украине и в Беларуси запрещается управлять велосипедом, не оборудованным исправным звуковым сигналом. А велосипедистам из других стран я бы рекомендовал рассматривать велозвонок в качестве дополнительного средства обеспечения личной
Рано ли поздно у велосипедиста наступает день, когда ему надоедает кричать: «Эй, любезный, не соблаговолите ли отойти…», и он покупает велозвонок.
Звонок был выбрал после долгих поисков, т.к. по стилю и дизайну классические «колокола» не подходят, а электрические пластмассовые выглядят довольно по ашански. Более менее адекватные на вид «мини-звонки» выполнены, как и водится на алике, из пластика и алюминия, и звенят они никак.
Данный же звонок практически не заметен на руле, а если и заметен, то не выглядит инородно. Шестигранный винт выдаёт в нём некую «трушную» велодеталь и не более. На родине оригинала чёрный цвет называют ёмко: «stealth black».
Обращаю внимание — это велозвонок для тротуаров, пешеходных зон, велодорожек, дворов и всех прочих участков планеты Земля, где посторонние шумы не превышают громкость звонка.
Приходит в простой, но приличной упаковке, в комплекте лишь дополнительный хомутик большого размера.
Вес 45 — 76 грамм, в зависимости от материала изготовления конкретной модели. Купол чёрного и «латунного» изготавливаются из латуни, серебристый — из нержавеющей стали. «Боёк» так же из латуни. Хомут, винт, каркас и прочие вспомогательные элементы из нержавеющей стали, а прокладка из резины.
Единственное, что мне сразу же не понравилось — это оформление хомутов. Их сделали какими-то серыми, при этом ещё и нанесли некое подобие логотипа лазерным гравером. Я недолго думая взял пасту ГОИ и полирнул его слегка. У оригинала, к слову, хомут чёрный, как и купол, но и полированный куда лучше серого китайского креатива.
Собирается он нетривиально: — сначала стяжка хомута вставляется в каркас; — затем каркас ставится на руль; — после чего хомут вставляется в стяжку; — далее ставится купол; — вставляется сверху винт и зажимается.
Впрочем, на видео всё равно понятнее.
На руле выглядит, как я и говорил, вполне органично.
Вариант для длинного хомута:
Вариант для короткого хомута:
Звенит ярко и мелодично, громкости хватает, чтобы звенело в ухе.
В моём случае — идеальный велозвонок. Небольшой и звонкий. Недорогой. Упаковка сойдёт за подарочную. Недостатки не обнаружены.
Планирую купить +17 Добавить в избранное Обзор понравился +12 +33
Для повышения безопасности езды на велосипеде его желательно оборудовать звуковым сигнализатором — «звонком». В состав электронного звонка входят генератор ЗЧ, усилитель мощности и динамическая головка или другой акустический излучатель. Пользоваться электронным звонком значительно удобнее и оперативнее, чем традиционным механическим.
На это электронное устройство можно возложить и дополнительные функции. Например, оно может стать акустическим «маячком», периодически подавая короткие звуковые сигналы. Такой режим работы наверняка будет полезен при походе за грибами, для того, чтобы не потерять велосипед в чаще леса.
Схема устройства показана на рис. 1.
На элементе DD1.1 собран первый генератор прямоугольных импульсов с изменяемой скважностью. На элементе DD1.2 выполнен второй генератор прямоугольных импульсов. Частота их следования составляет около 1 кГц, т. е. лежит в середине звукового диапазона. На элементах DD1.3, DD1.4 собран буферный усилитель, а на транзисторе VT1 — ключ, нагрузкой которого служит динамическая головка ВА1.
Работает устройство следующим образом. В исходном состоянии контакты выключателей SB1, SA1 разомкнуты, как показано на рис. 1, и устройство тока не потребляет. В режиме «Сигнал» замыкаются кнопки SB1.1 и SB1.2 и питание поступает на все элементы. Диод VD1 в этом режиме замкнут, поэтому первый генератор вырабатывает прямоугольные импульсы со скважностью около 2. Частота их следования определяется емкостью конденсатора С1 и сопротивлением резистора R2. Она составляет несколько герц. Когда на выводе 3 элемента DD1.1 оказывается низкий логический уровень, второй генератор не работает и ключ закрыт. При появлении на этом выводе высокого логического уровня второй генератор начнет работать и в головке ВА1 будет слышен звуковой сигнал. Таким образом, в этом режиме формируется сигнал, звучащий как «бип-бип-бип».
Если включить переключатель SA1 (режим «Маяк»), то питание также поступит на устройство, но первый генератор будет вырабатывать импульсы со скважностью около 300 и периодом следования 18…20 с. Обусловлено это тем, что зарядка конденсатора С1 происходит сравнительно быстро через диод VD1 и резистор R2 небольшого сопротивления. Разрядка же происходит через резистор R1 с большим сопротивлением, поэтому и осуществляется гораздо медленнее. В этом режиме второй генератор включается на короткое время через большие промежутки времени, т. е. устройство работает как акустический «маячок».
Питается устройство от батареи аккумуляторов или гальванических элементов с общим напряжением 3…6 В. Блокировочный конденсатор C3 установлен параллельно батарее до выключателей, сделано это для того, чтобы после отпускания кнопки SB1 или выключения переключателя SA1 звуковой сигнал сразу же прекращался.
Большинство деталей размещено на печатной плате (рис. 2) из односторонне фольгированного стеклотекстолита. Плату, динамическую головку и батарею надо разместить в корпусе подходящих габаритов, при этом кнопку SB1 желательно установить так, чтобы ею было удобно пользоваться для подачи звукового сигнала, например, около рукоятки руля.
В устройстве можно применить следующие детали: микросхема К561ТЛ1 заменима на К564ТЛ1, но придется доработать плату, диод КД102Б заменяется на КД10З, КД521, КД522, все диоды могут быть с любыми буквенными индексами, полярные конденсаторы — К50 — 35 или аналогичные, С2 — К10 — 17, постоянные резисторы — МЛТ, С2 — 33. Кнопка SB1 подойдет любая малогабаритная на два положения и два направления с самовозвратом, переключатель SA1 также любой, малогабаритный. Для динамической головки с сопротивлением 50 Ом транзистор VT1 может быть, кроме указанного на схеме, серии КТ315 с индексами Б, Е, а также любой из серий КТ3102, КТ3117.
Если использовать динамическую головку с сопротивлением 8 — 16 Ом, то громкость сигнала заметно увеличится, но при этом возрастет и ток, потребляемый от батареи. Кроме того, необходимо будет применить транзисторы КТ829А — КТ829Г, КТ972А, КТ972Б или мощные ключевые полевые транзисторы IRLR2905 или аналогичные, а также увеличить емкость конденсатора C3 до 2200 мкФ. Конечно же, батарея должна обеспечивать требуемый ток примерно до 0,2 А.
Налаживание сводится к настройке режимов работы генераторов. Высоту тона звукового сигнала, т. е. частоту второго генератора, устанавливают подбором резистора R3, для этого надо временно замкнуть накоротко конденсатор С1, чтобы получить непрерывный сигнал. Затем, нажав кнопку SB1, подбором резистора R2 устанавливают наиболее подходящий режим работы первого генератора. При включенном переключателе SA1 подбором номинала резистора R1 устанавливают требуемый период подачи звукового сигнала.
Велосипедный звонок используется с целью обрать на себя внимание, чтобы вас заметили на дороге. Многие производители, особенно бюджетного сегмента, предлагают предустановленные звонки, но на велосипедах спортсменов звуковой сигнал встречается редко.








